RS-485应用设计参考
电工问答2026-03-05
如今几乎所有的电子产品都带有通信接口。从最初的数据模拟信号到后来的RS-232,在到我们今天要谈到的RS-485接口,各种无线接口等。作为一个电子工程师,比较基础也有广泛应用基础的RS-485几乎成为必学的内容
变压器容量计算公式详解
时间:2026-03-06
变压器容量规格尺寸有哪些
时间:2026-03-06
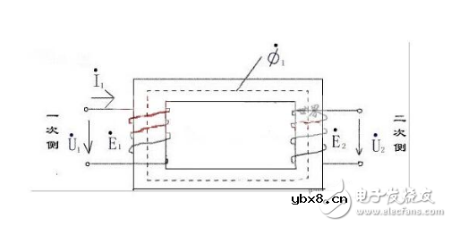
隔离变压器工作原理详解
时间:2026-03-06
隔离变压器如何选型
时间:2026-03-06
交流电焊机型号及功率
时间:2026-03-06
变压器绕线方法_变压器绕线方法图解
时间:2026-03-06
ee16变压器介绍_ee16变压器性能特点
时间:2026-03-06
scb11干式变压器技术参数解析
时间:2026-03-06
变压器容量测试仪原理
时间:2026-03-06
电阻焊变压器的介绍及特点_电阻焊变压器设计
时间:2026-03-06
瞬间抑制二极管(TVS)/瞬间抑制二极管(TVS)是...
时间:2026-03-04
什么是EPIC
时间:2026-03-06
什么是追踪缓存/转接卡?
时间:2026-03-06
什么是Speculative execution/SQRT?
时间:2026-03-06
什么是联合并行处理二级缓存?
时间:2026-03-06
什么是霍尔传感器
时间:2026-03-05
技术前沿:让我们来谈一谈封装
时间:2026-03-05
半导体材料的主要种类有哪些?
时间:2026-03-04
高级封装,高级封装是什么意思
时间:2026-03-04
数字比较器,数字比较器是什么意思
时间:2026-03-04