电工问答2026-03-07
米波雷达概述 米波雷达,其频段30~300MHz,波长为1m~10m,米波雷达属于长波雷达,它带有自己的发射机,主要用于长距离探测,对战机的威胁相对较小。对于隐形飞行器的探测是通过多批次连续开机扫描来完
基于Verilog实现的DDS任意波形发生器
时间:2026-03-07
光电开关pnp和npn有什么区别
时间:2026-03-07
低频信号发生器介绍_低频信号发生器设计
时间:2026-03-07
光电开关信号怎么转换_光电开关输出信号判断
时间:2026-03-07
光电开关接线实物图_光电开关接线方法
时间:2026-03-07
什么是自激振荡电路及自激振荡电路图
时间:2026-03-07
单管自激振荡电路是什么_一文读懂单管自激振...
时间:2026-03-07
光电传感器的应用实例_光电传感器工作原理_...
时间:2026-03-07
光电开关与光耦的区别
时间:2026-03-07
振荡电路介绍_单管扫频式振荡电路分析
时间:2026-03-07
什么是追踪缓存/转接卡?
时间:2026-03-06
瞬间抑制二极管(TVS)/瞬间抑制二极管(TVS)是...
时间:2026-03-04
什么是EPIC
时间:2026-03-06
什么是联合并行处理二级缓存?
时间:2026-03-06
什么是Speculative execution/SQRT?
时间:2026-03-06
什么是霍尔传感器
时间:2026-03-05
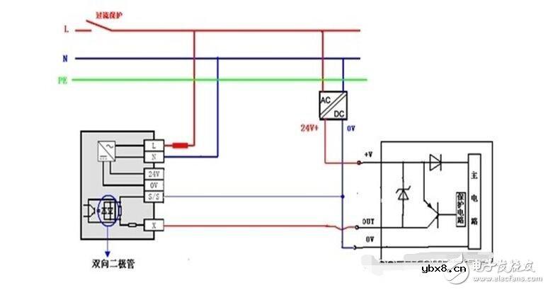
双向二极管起什么作用?
时间:2026-03-04
半导体材料的主要种类有哪些?
时间:2026-03-04
高级封装,高级封装是什么意思
时间:2026-03-04
数字比较器,数字比较器是什么意思
时间:2026-03-04