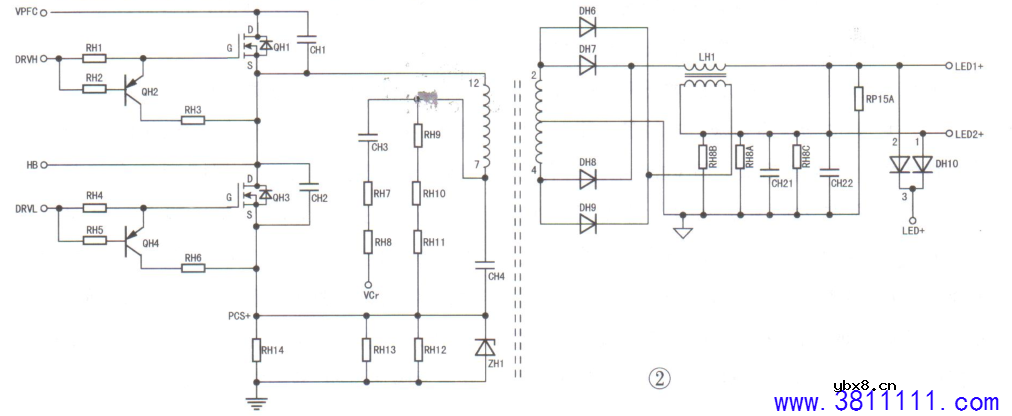
一台长虹55D2000i彩电,开机后黑屏,背光不亮。 分析检修:此机采用MPL70D-2MD400-A型电源板。检查电源板上的背光驱动电路,如图2所示,发现功率管QH1短路,整流二极管DH6~DH9(SSF3GGx4)无明显异常。更换CH1后,拆下保险管,用一只100W/220V灯泡代替保险管,再用一只10kΩ电阻跨接在12V与PS-ON,BL-ON和ADJ端.上,通电测量背光驱动输出电压为0V,说明背光驱动电路还有问题。代换驱动芯片LC6599后通电,背光仍不亮,检查LC6599供电为13V ( 正常),怀疑整流二极管DH6~DH9异常,拆下这4只二极管逐一检测,发现DH6、DH9正反向电阻均约为5kΩ,明显异常。 为保证可靠,将DH6~DH9全部换新后试机,故障排除。
|
相关热词:#液晶维修
电场激活原位掺杂平面光伏型胶体量子点红外...
时间:2026-03-09
什么是硅片或者晶圆?一文了解半导体硅晶圆
时间:2026-03-09
集成电路的几纳米代表了什么?
时间:2026-03-09
金刚石基GaN问世 化合物半导体行业进入第三...
时间:2026-03-09
实用模拟电路小常识浅析
时间:2026-03-09
寄存器是什么?怎么操作寄存器点亮LED灯?
时间:2026-03-09
一文详解MOS管驱动电路拓扑的设计
时间:2026-03-09
汽车芯片业应汲取的教训
时间:2026-03-09
半导体光刻工艺 光刻—半导体电路的绘制
时间:2026-03-09
电阻的原理和作用 电阻色环识别图 电路中电...
时间:2026-03-09
豆浆机更换电机全过程
时间:2026-03-09
电信 IPTV 常见故障排除方法与检修实例 (三...
时间:2026-03-08
三相电的相序 怎样才能分辨ABC
时间:2026-03-09
电气电工专业就业前景,如果再给你一次机会...
时间:2026-03-09
TCL王牌 LE50D8810型液晶电视图像抖动故障应...
时间:2026-03-09
分享一下解决TV远程各种问题的工具方法,你...
时间:2026-03-09
采用TP.VST69T.PB901主板的一台长虹LD32U31...
时间:2026-03-09
格兰仕G90F25CN3LV-Q6(GO)变频 微波炉,按启...
时间:2026-03-09
九阳电压力锅维修过程
时间:2026-03-09
美的电磁炉一机多“病”的“医治”
时间:2026-03-09