乐视超级电视超3 X55 的检修(下) 5. TV 不搜台 检查系统电源是否正常,BI000 、UI000 输出电压是否为3.3V;检查高频头晶振YI001 是否起振; 检查高频头部分I2C 信号丁SCL、T SDA是否正常(关键测试点RI015 、RI017) , 不正常则检查U1001是否焊接有问题;检查高频头中频信号电路元件:R1014、R1016、C1016、C1020、CI0IR 、C1019 焊接是否正常。 如以上检查均正常,则更换高频头即可,相关电路如图3 所示。
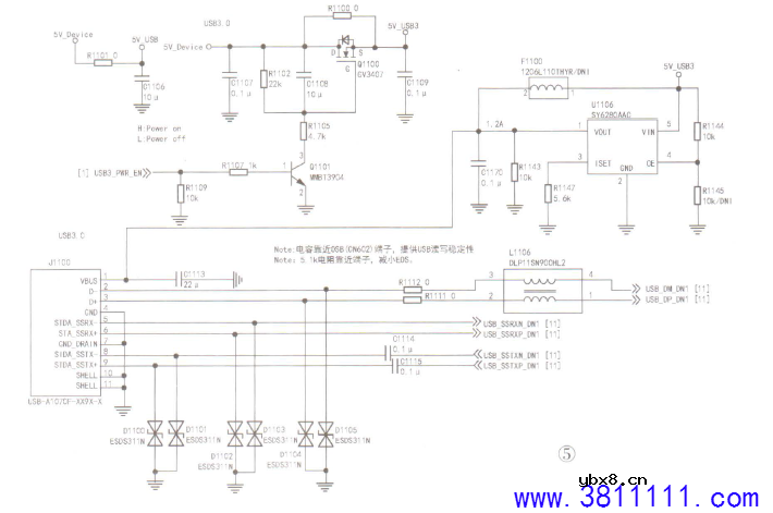
6.USB3.0 HUB(Ull03) 维修 HUB 输出USB 接口有:SUB_USB3.0( Top ofTV) 、主板端USB3.0 插座J1100 、语音操控芯片CX20921 USB2.0 (U15 00) 、2 .4 GHz 遥控芯片USB2.0( Ul101 )。如果这几个接口全部异常,则需重点关注USB HUB 的士作状态。测量5V USB3 是否正常:5V USB3 正常,测量YI102( 25MHz) 时钟及V33/AV12 电压是否正常;5V USB3 不正常,测量5V DEVICE 是否有5V 电压。有5V 电压,检查Q1100 、Q1101 工作是否正常。5V DEVICE 电压不正常,贝IJ 检查U1407(DC-DC) 输出(L1 403 )是否正常,输出不正常,测量12V NORMAL 及U1407 工作是否正常。最后检查SPI FLASH( U1102) 工作是否正常, 相关电路如图4 所示。 7. USB3.0 HOST (Jll00) 无法连接测量USB 供电5V 是否正常(检测点为J1100的①脚) ,如不正常,测量其输入电压5V USB3 是否正常。若5V_USB3 正常,则检查5V 的转换块Ul106 是否损坏;若不正常,贝IJ 测量5V_DEVICE是否正常(见USB HUB U1103 维修)。若5V Device 正常,贝IJ 测量USB3_PWR_EN开机后是否为高电平,是否有对地短路现象,若是则需检查R1102 、CPU 是否有虚焊。 检修提示: USB3.0 插座可以连接,但拷贝数据速度慢,这种情况一般是USB2.0 已连接,USB3.0 工作异常所致,测量USB3.0 TX 和 USB3.0 RX 对地阻值,与正常时是否有较大差异。相关电路如图5 所示。 |
相关热词:#液晶维修
电场激活原位掺杂平面光伏型胶体量子点红外...
时间:2026-03-09
什么是硅片或者晶圆?一文了解半导体硅晶圆
时间:2026-03-09
集成电路的几纳米代表了什么?
时间:2026-03-09
金刚石基GaN问世 化合物半导体行业进入第三...
时间:2026-03-09
实用模拟电路小常识浅析
时间:2026-03-09
寄存器是什么?怎么操作寄存器点亮LED灯?
时间:2026-03-09
一文详解MOS管驱动电路拓扑的设计
时间:2026-03-09
汽车芯片业应汲取的教训
时间:2026-03-09
半导体光刻工艺 光刻—半导体电路的绘制
时间:2026-03-09
电阻的原理和作用 电阻色环识别图 电路中电...
时间:2026-03-09
豆浆机更换电机全过程
时间:2026-03-09
电信 IPTV 常见故障排除方法与检修实例 (三...
时间:2026-03-08
三相电的相序 怎样才能分辨ABC
时间:2026-03-09
《洗衣机维修从入门到精通》电子书PPT之三
时间:2026-03-09
电气电工专业就业前景,如果再给你一次机会...
时间:2026-03-09
TCL王牌 LE50D8810型液晶电视图像抖动故障应...
时间:2026-03-09
长虹55Q2R型液晶电视,上电后指示灯亮,二次...
时间:2026-03-09
MT23机芯特别之处
时间:2026-03-09
分享一下解决TV远程各种问题的工具方法,你...
时间:2026-03-09
采用TP.VST69T.PB901主板的一台长虹LD32U31...
时间:2026-03-09