MT3151A05-5-XC-5逻辑板为一体化逻辑板,即逻辑板和屏是连接在一起的。该逻辑板应用在很多型号的屏上,如创维SDL320HY屏、TCL液晶电视LVW320NDAL屏和LVW320CSOTE276屏、乐华E32-0A35屏、LG的LC420DUN(SE)屏等。另外,与该逻辑板电路相似的还有华星光电ST315A05-8逻辑板。下面以创维SDL320HY屏为例,介绍MT3151A05-5-XC-5逻辑板的电路原理及常见故障维修。 一、电路分析 MT3151A05-5-XC-5逻辑板电路由三部分电路组成,一是以CS902(IC12)为核心组成的DC-DC电路;二是以CS11103(IC11)为核心组成的时序控制电路;三是以CS801(IC10)为核心组成的伽马电压校正电路。 1.DC-DC变换电路 该逻辑板的DC-DC变换电路采用了新型电源管理芯片CS902,该IC集成度高,只需少量外围元件就可以产生液晶屏需要的电压(VDD33、VAA、VGH、VGL)。DC-DC变换电路如图1所示。
(1)VDD33(3.3V)电压的形成 该电压形成电路主要由IC12的37~40脚内部电路、储能电感L1、续流二极管D9、滤波电容C249和C250组成,是一个串联型降压开关电源(BUCK)。工作时,IC12的38、39脚输出幅度约12VP-P,周期约1.3μs(频率为750kHz)的高频脉冲,经二极管D9续流,C249、C250滤波,产生约3.3V直流电压,即VDD33电压。IC12的37脚为VDD33电压的反馈脚,调整VDD33的大小。 VDD33电压是一非常重要的电压,送主时序控制处理芯片IC11及存储器IC2(32A),还送屏上栅源驱动电路。 (2)VAA(14.8V)电压的形成 该电压形成电路由IC12的15、16脚内部电路和外部的储能电感L2、续流二极管D12、滤波电容C454等元件组成,是一个并联型升压开关电源(BOOST)。工作时,L2的上端加上12V的直流电压,IC12的15、16脚输出幅度约15VP-P,周期约1.3μs(频率为750kHz)的高频脉冲,在L2中产生感应电压,该电压与12V供电电压叠加,并经二极管D12续流,C454滤波后,得到约14.8V的VAA_FB电压,此电压从17脚送回到IC12的内部,经内部开/关控制管后形成VAA电压(约14.8V),从IC12的18、19脚输出。 VAA电压主要是向伽马电路提供工作电压,同时也为屏后级的驱动电路提供工作电压。当维修图像伽马失真(灰度异常)故障时,应首先对此VAA电压进行确认。 (3)VGH(脉冲电压,峰值为30V左右)的形成 VGH是液晶屏栅极驱动脉冲。要产生VGH脉冲,需要电源管理芯片先产生VGHF直流电压,然后在时序控制芯片送来的GVON信号作用下,才会将VGHF直流电压转换为VGH脉冲电压。 VGHF直流电压形成电路由IC12的15、16脚内部电路和外接元件T2、C229、C230、D7、D11、C231、C234等组成。其中,T2是直流供电回路中的电源调整管,相当于可调电阻,T2的导通程度受IC12的23脚输出电压的控制。C229、D7、C231组成一个正电压电荷泵电路,C230、D11、C234组成另一个正电压电荷泵电路,两个正电压电荷泵电路串联使用,C229、C230都是诸能电容。工作时,14.8V的VAA电压经T2调节后,从其c极输出的直流电压(实测为12.4V左右)作为第一个正电压电荷泵电路的输入电压,方波脉冲信号SW(该脉冲是从IC12的15、16脚输出送来的)加到储能电容C229的左端,通过正电压电荷泵电路的作用,就可在其输出端(即C231两端)得到高于输入电压的输出电压(实测为19V左右)。第一级正电压电荷泵电路的输出电压作为第二级正电压电荷泵电路的输入电压,方波脉冲信号SW加到储能电容C230的左端,通过此正电压电荷泵电路的作用,就可在其输出端(即C234两端)得到VGHF电压(实测为32V左右的直流电压)。 VGHF直流电压转换为VGH脉冲电压是在IC12内部进行的。正电压电荷泵电路形成的VGHF直流电压从34脚送回到IC12的内部,时序控制芯片CS11103送来的启动VGH电压的控制信号GVON从26脚送入IC12的内部,IC12内部电路在GVON信号的作用下,将VGHF直流电压转换为VGH脉冲电压,从35脚输出,送往液晶屏栅极驱动电路。 (4)VGL(-6V)电压的形成 该电压形成电路由IC12的38、39脚内部电路和外接元件T3、C235、D6、C238、C239等元件组成。该电路是一个负电压电荷泵电路,C235是诸能电容,T3是D6的2脚与地之间的调整管,也相当于可调电阻,T3的导通程度受IC12的21脚输出电压的控制。工作时,IC12的38、39脚输出幅度约12V的方波脉冲SWB,经过C235、D6负压半波整流及C238、C239滤波,得到约-6.2V的VGL电压。VGL电压还从20脚回送到IC12的内部,内部电路对输入的VGL电压进行检测,并形成取样电压,此电压与IC内部的基准电压相比较,输出误差电压,通过21脚控制T3基极电流大小变化,利用了三极管集电极与发射极之间阻抗随基极电流大小变化而变化的特性,进行VGL输出电压的自动调整,实现直流输出电压的稳定。 (5)HVAA电压的形成 IC12内部电路形成约7.5V的HVAA电压,从29、30脚输出。 2.时序控制电路 时序控制电路由集成块IC11(CS11103)为核心构成,如图2所示。该电路负责将主板送来的LVDS信号转换成Mini-LVDS信号和产生相应的时序控制信号。时序控制器IC11外挂E2PROM存储器IC2(32A),用于存储液晶屏参数。
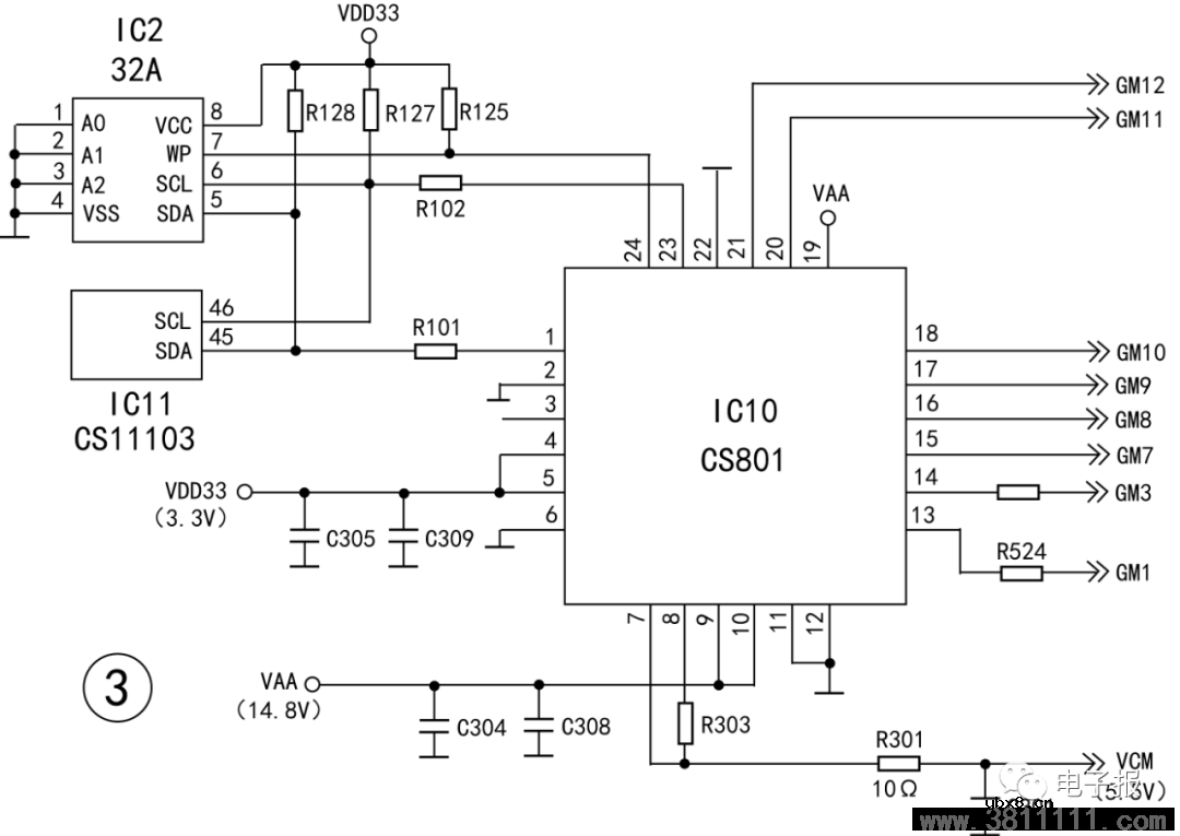
CS11103的工作电压为VDD33(3.3V),该电压由TCON板上DC-DC转换电路产生;内部电路工作所需的1.2V电压则由CS11103内部产生,41脚外接1.2V电压的滤波电容。LVDS信号在转换过程中根据不同的屏的分辨率、屏尺寸、屏特性,由软件控制转换。该逻辑板电路中还有一块专门存储液晶屏参数的E2PROM存储器IC2(32A),时序控制电路就是根据这块存储器里面的数据,结合行、场同步信号生成图像数据信号及行、列驱动电路所需的STV、CKV、POL、TP1控制信号。IC1的46、45脚分别与IC2的6、5脚相连,构成I2C总线的时钟线和数据线,以传输数据和时钟信号。 主板通过上屏线送来的LVDS信号,经TCON板上的接口CN1进入集成块IC11的2~11脚。该机的LVDS信号包括3对差分数据信号(板上标为LV0N/LV0P、LV1N/LV1P、LV2N/LV2P、LV3N/LV3P)和1对差分时钟信号(标为LVCKN/LVCKP),在这3对差分数据信号中包括有:表示图像内容的数据信号(RGB)、行内步信号(HS)、场同步信号(VS)。CS11103可以适应两种格式的LVDS信号,IC11的48脚(SEL_LVDS)是LVDS信号选择引脚,也就是输入信号VESA格式及JEIDA格式的选择引脚,该脚悬空或接地是VESA格式,接高电平是JEIDA格式。SEL_LVDS控制电压来自CN19脚,该机为低电平0V。IC11的13脚(OD_EN)是过激励选择和控制引脚,当帧频为60Hz时,该脚为低电平;当帧频为50Hz时,该脚为高电平。 时序控制芯片CS11103内部对输入的LVDS信号进行处理,最终输出两大类信号:一种是反映图像内容的以Mini-LVDS格式输出的图像信号;另一类是液晶屏行、列驱动电路所需的各种控制信号。CS11103的26~31、33~40脚输出Mini-LVDS信号,包括5对数据信号(板上标为MLV0N/MLV0P、MLV1N/MLV1P、MLV2N/MLV2P、MLV3N/MLV3P、MLV4N/MLV4P、MLV5N/MLV5P)和1对时钟信号(MLVCKN/MLVCKP),这些输出信号经排线加到液晶屏周边的“源极驱动电路”上。CS11103输出的控制液晶屏行、列驱动电路工作的控制信号主要有STV、CKV、POL、TP1等信号。其中,21脚输出的STV信号是栅极驱动电路的垂直位移起始信号(重复频率是场频),22脚输出的CKV信号是栅极驱动电路的垂直位移触发时钟信号,23脚输出的POL信号是控制一个像素点相邻场信号的极性逐场翻转180度的控制信号,以便满足液晶分子交流驱动的要求,24脚输出TP1信号,是数据驱动IC输出数据信号的使能控制信号,为高电平时,一行数据锁存到行存储器内;为低电平时,一行数据释放,对液晶电容充电。 另外,CS11102还要输出控制DC-DC转换电路工作状态的控制信号,如16脚输出的GVON信号(VGH时序控制信号),这个信号直接控制DC-DC转换芯片CS902的26脚,作为把VGHF直流电压形成规定标准(时间标准、幅度标准)液晶屏栅极触发脉冲(VGH)的控制信号。 3.伽马校正电路 该逻辑板采用了CS801(IC10)作为伽马校正集成电路。CS801是一块8通道可编程伽马电压生成集成电路,同时还带有一个通道VCM电压输出,采用I2C总线控制方式。CS801外围电路比较简单,如图3所示。
IC10的4、5脚为3.3V供电端,9、10、19脚为VAA(14.8V)供电端。IC10的23、1脚与时序控制芯片IC11的45、46脚相连,构成I2C总线。I2C总线上还挂接了E2PROM存储器IC2(32A),该存储器中存储有各种状态的伽马数据,时序控制器动态读取E2PROM存储器中的数据,在I2C总线的控制下,伽马校正块IC10内部D/A转换电路将工作电压VAA转换为模拟直流电压,再通过电流缓冲器放大,就可以自动产生符合当前帧图像所需的伽马电压,从IC10的13~18、20、21脚输出。 IC10的7脚输出的是VCM电压,VCM电压是液晶屏公共电极电压,该电压经电阻R301送往屏共用电极供电。VCM电压对液晶屏显示效果影响很大,该电压是检修液晶屏图像显示故障时,必须要测量的一个关键电压。VCM电压为5.5V。 二、维修实例 例1:一台创维32E360E液晶彩电,伴音正常,背光亮,但图像很暗。 分析检修:首先把图像的亮度值调整为100,图像仍很暗,分析故障应在逻辑板。该机液晶屏型号为创维SDL320HY,配套的逻辑板型号是MT3151A05-5-XC-5。开机测量逻辑板输入的12V电压正常,F1保险丝未熔断,测量逻辑板上各主要工作电压,发现VDD33、VGL电压正常,但VAA、VGH、HVAA电压均为0V。分析电路,VAA、VGH、HVAA电压的形成及输出都与电源管理块IC12(CS902)的33脚(使能控制端)的电压有关,如果该脚无高电平的开启电压,电源管理块内部的BOOST部分不会进入正常的工作状态,不会有VAA、VGH、HVAA电压输出。于是测量IC12(CS902)33脚的电压,果然为0V。顺着线路查找,发现33脚通过贴片电阻R233接在VDD33电源上,测量R233接VDD33的一端有3.2V电压,但接33脚的一端无电压。R233开路、33脚外接滤波电容C240短路、33脚内部对地短路都会导致33脚无电压。逐一检查,发现R233断裂。用1kΩ的贴片电阻更换R233后,测量33脚电压为高电平3.2V,VAA、VGH、HVAA输出电压恢复正常,机器故障排除。 例2:一台创维32E360E液晶彩电,图像对比度差,人脸上有色斑。 分析检修:从故障现象上看,怀疑伽马电路有问题。按照逻辑板的标识找到GM1、GM3、GM7~GM12的测试点,逐一测试这8个检测点电压。正常情况下该电压应该是从GM1至GM12递减的。结果测试发现,GM1、GM2、GM7、GM8电压呈递减规律,GM9~GM12电压突然升到了8V多,这显然是不对的,怀疑伽马校正芯片CS801损坏,换新后故障排除。此时测得GM1为13.9V,GM3为10.9V,GM7为9.5V,GM8为7.8V,GM9为7.5V,GM10为7.1V,GM11为6.8V,GM12为4.8V,VCM为5.5V。 |
相关热词:#液晶维修
长虹55D2000i电视,开机后屏显“系统正在升级...
时间:2026-03-09
长虹58U1型机,黑屏的维修
时间:2026-03-09
长虹58Q2F型机,上电后指示灯闪烁,不开机的...
时间:2026-03-09
长虹55D2000i 型机,开机后一直显示厂标“CH...
时间:2026-03-09
长虹50D2000i型机,不开机的维修
时间:2026-03-09
康佳LC22ES61型液晶彩电,图像彩色异常的维...
时间:2026-03-09
康佳LED32F3300CE型液晶彩电开机后花屏的维...
时间:2026-03-09
康佳LED32HS11液晶电视出现开机LOGO后自动关...
时间:2026-03-09
康佳液晶电视LED32MS92C背光亮无图的维修和...
时间:2026-03-09
康佳LED42IS97N(2BOM)液晶电视开机花屏的...
时间:2026-03-09
电信 IPTV 常见故障排除方法与检修实例 (三...
时间:2026-03-08
分享一下解决TV远程各种问题的工具方法,你...
时间:2026-03-09
格兰仕G90F25CN3LV-Q6(GO)变频 微波炉,按启...
时间:2026-03-09
九阳电压力锅维修过程
时间:2026-03-09
《洗衣机维修从入门到精通》电子书PPT之三
时间:2026-03-09
海信TLM32V66A液晶电视不开机的故障维修
时间:2026-03-09
8G29软件工厂调试说明
时间:2026-03-09
TCL王牌 LE50D8810型液晶电视图像抖动故障应...
时间:2026-03-09
创维55F5型机电源板故障维修3例
时间:2026-03-09
TCL L39E5090-3D型液晶电视自动关机故障检修...
时间:2026-03-09