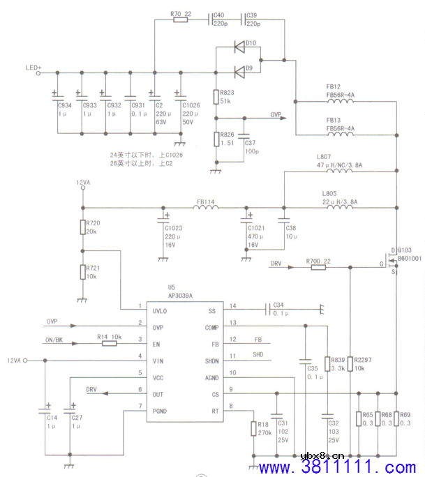
海尔LD32U3100型液晶彩电黑屏故障检修 一台海尔LD32U3100型液晶彩电二次开机后黑屏,但伴音正常。 试机,发现背光不亮,屏.上有暗波的图像。本机采用三合一主板( 板号:NSTV2409 -ZC01-01),主芯片是MSTV59,背光恒流控制芯片采用 AP3608E,背光升压控制芯片采用AP3039A(U5),相关电路如图1所示。二次开机后,测得升压整流二极管D9、D10负极电压一直为12V,说明升压电路未工作。转向检测U5的工作条件,测得U5③脚(EN)的背光开启电压为5.2V,④脚电压为12V,⑤脚(内部输出)电压为12V,①脚(低压保护)电压为4.41V,②脚(OVP保护输入)电压为0.3V,均正常,但⑥脚(脉宽调制输出)电压为0V,说明U5没有进入工作状态。断电,在路测量D9、D10及Q103、R65、R68、R69都正常,但⑧脚(RT) 对地电阻为2.45MΩ,明显异常(⑧脚外接电阻R18的标称阻值为270kΩ)。除去R18上面的硅胶,取下检测,其阻值已增到2.4MΩ,由此确认R18(见图2)已损坏。 因笔者随身携带的元件中没有270kΩ的0402型贴片电阻,于是换上一只470kΩ的电阻试机,升压电路输出电压为43V,背光灯正常点亮,故障排除。 提示:电路板.上多用硅胶固定元件,但这种硅胶对元件引脚.有腐蚀作用,长时间后易导致元件损坏,望大家注意。 ![]() ![]() |
相关热词:#液晶维修
2kW高频逆变器学习干货
时间:2026-03-09
基于SG3525的推挽电路仿真设计
时间:2026-03-09
浅析开漏和推挽电路
时间:2026-03-09
讲讲单相全桥逆变器的原理及其建模
时间:2026-03-09
反激式适配器同步整流芯片U7710SG
时间:2026-03-09
安装师傅却说:他只是帮忙的,并表示这个线...
时间:2026-03-09
三相电的相序 怎样才能分辨ABC
时间:2026-03-09
混频器的特性
时间:2026-03-09
电气电工专业就业前景,如果再给你一次机会...
时间:2026-03-09
电工师傅说,“干的农民工搬砖的活儿,挣的...
时间:2026-03-09
电信 IPTV 常见故障排除方法与检修实例 (三...
时间:2026-03-08
三相电的相序 怎样才能分辨ABC
时间:2026-03-09
分享一下解决TV远程各种问题的工具方法,你...
时间:2026-03-09
格兰仕G90F25CN3LV-Q6(GO)变频 微波炉,按启...
时间:2026-03-09
九阳电压力锅维修过程
时间:2026-03-09
《洗衣机维修从入门到精通》电子书PPT之三
时间:2026-03-09
安装师傅却说:他只是帮忙的,并表示这个线...
时间:2026-03-09
电气电工专业就业前景,如果再给你一次机会...
时间:2026-03-09
电工师傅说,“干的农民工搬砖的活儿,挣的...
时间:2026-03-09
电工的16个中级电工基础知识,弄懂了再说升...
时间:2026-03-09