当前位置:首页 > 维修 > 正文

二合一电源OB5269CP+AP3041方案 --原理与维修(一)

来源:网络  发布者:电工基础  发布时间:2026-03-09 14:45
1、概述二合一电源板(OB5269CP+AP3041方案)主要运用在长虹32J2000、43J2000、LED42538N等机型上。为方便阐述,下面以32J2000为代表进行分析,其电源板型号代码9012-112437-07509211。电源输出12V/2A、DC5V/1.5A、D
1、概述
二合一电源板(OB5269CP+AP3041方案)主要运用在长虹32J2000、43J2000、LED42538N等机型上。为方便阐述,下面以32J2000为代表进行分析,其电源板型号代码9012-112437-07509211。电源输出12V/2A、DC5V/1.5A、DC5VSB/1.0A三路及LED驱动电压120V、LED驱动电流280MA/单路/50W。增加少量元器件即可扩展到6路LED驱动,满足大屏幕背光要求。
2、电源实物图解
32J2000电源板实物正面图解如图1所示,电源板实物背面图解如2所示。

二合一电源OB5269CP+AP3041方案 --原理与维修(一)

电源实物图1 正面

二合一电源OB5269CP+AP3041方案 --原理与维修(一)

电源实物图2 反面

3、工作原理精要
接通电源后,整机处于待机状态,指示灯亮,这时电源板输出两路电压:一路5VSB电压给主板供电,主板CPU控制系统上电后,按照预先设置好的程序进入待机工作状态;一1路24V电压输出到LED驱动电路,等待开机后通过开关电路形成驱动LED灯串电压60V。

通过遥控器或者按键开机后,主板CUP控制系统输出开机信号PS-NO(高电平),高电平分三路控制信号输出:一路PS-NO信号经Q103控制输出5V电压供主板;一路PS-NO信号经Q10控制输出11.5V电压给LED驱动IC(AP3041)供电;一路PS-NO信号经U11(MP1584)控制输出12V给主板供电。电源LED驱动进入工作状态,主板得到12.3V、5V,整机正常开启,下图3为电源工作流程简图。

二合一电源OB5269CP+AP3041方案 --原理与维修(一)

图3 电源工作流程图

4、单元电路解析

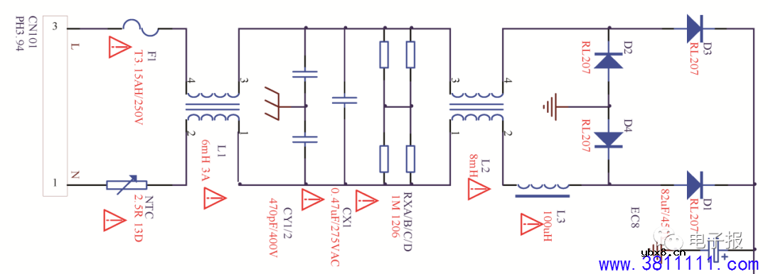
1)电源EMI电路及整流电路

二合一电源OB5269CP+AP3041方案 --原理与维修(一)

图4 抗干扰及整流电路


交流电通过两级抗干扰电路加到整流二极管,经整流滤波后形成300V的直流电压。其中,由扼流圈电感L1、L2和共模电容CY1、CY 2,差模电容CX1、CX12组成共模抗干扰电路,滤除电源进线和电源自身产生的共模干扰脉冲;电阻RXA/B/C/D对抗干扰电容起泄放作用,关闭电源后看迅速放掉CX上存储的电能,防止带电损坏电路上的器件;NTC为压敏电阻,当电压超过他的阈值电压时,漏电电流增大,接近短路状态,导致保险管F1因过流而熔断,起到保护后级电路的作用。整流电路由D1、D2、D3、D4、EC8组成,经四只二级管整流EC8滤波后形成300V的直流电压供电源后级使用,如图4所示。

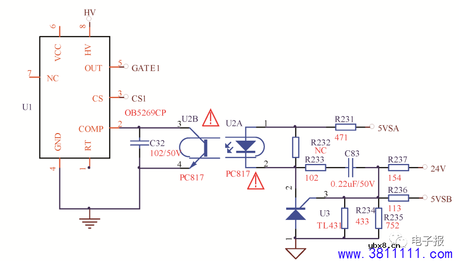
2)5VSB、24V形成电路

二合一电源OB5269CP+AP3041方案 --原理与维修(一)

图5 5VSB/A、24V形成电路

5VSB、24V形成电路主要由U1(OB5269CP)、Q27、Q29、D23、次级电路D13、D14、D15、D16组成。300V直流电压分两路:一路输出到开关变压器T1A的(12-11)脚,形成上正下负的感应电动势;一路通过电阻R257、R258降压输出到U1控制芯片的8脚作为芯片的高压启动电压。由R3、C02、R4、D5组成尖峰吸收电路,当功率U1MOSFET开关管截止瞬间,T1A初级绕组瞬间会产生一个很高的尖峰脉冲,该尖峰脉冲使D5导通,经R3、C02回到电源,使尖峰脉冲降低,保护了芯片在功率MOSFET开关管在截止瞬间不过压损坏。C02主要用于吸收功率MOSFET管转换瞬间的尖峰干扰,如图5所示。

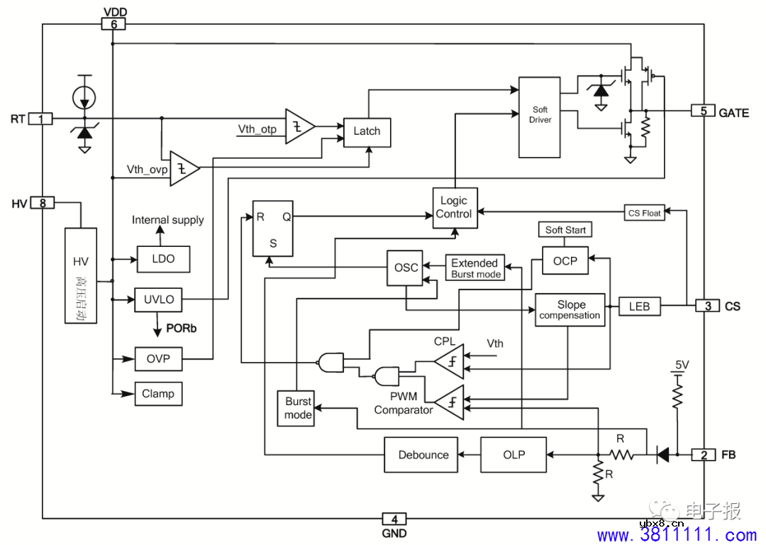
U1是一个高性能的电流模式PWM控制控制器,集成了高压启动,高性能,低待机功耗和成本效益的离线反激式转换器,其主要特点及内部框图如下图6所示:

二合一电源OB5269CP+AP3041方案 --原理与维修(一)

图6 OB5269CP内部框图


OB5269CP特点:

● 高电压启动电路;

● 超低待机功耗;

● 电源,软启动,减少MOSFET的VDS应力 ;

● 为EMI的频率抖动 扩展突发模式(Burst Mode)控制以提高效率和最低的待机功耗设计 ;

● 固定的65kHz开关频率;

● VDD与滞后欠压锁定(UVLO);

● 循环周期过流阈值设置为恒定输出功率限制在通用输入电压范围;

● 自动恢复过载保护(OLP);

● 过温保护(OTP),锁存关闭 ;

● VDD过电压保护(OVP),锁存关闭;

● 通过外部稳压可调过压保护(OVP)。

引脚功能:

二合一电源OB5269CP+AP3041方案 --原理与维修(一)


关键脚工作原理分析:

⑧脚:开机时300V电压经过电阻R257、R258分压输入到U1OB5269的8脚,内集成了高压启动电路,并提供了大约2.8 mA电流给VDD引脚充电,供电来自于 HV引脚。当VDD上限电压高于UVLO(关闭),电荷电流关闭,这时候OB5269VDD电容器提供的电流由辅助绕组的主变压器为IC提供工作电流。

⑥脚:开关变压器辅助绕组7~8端提供感应电动势,经R248/0Ω欧电阻、整流二极管D23、滤波电容EC9后,形成20V直流电压,加载到由稳压二极管D27/18v、Q27/MMBT2222、电阻R249/1.5KΩ组成的18V基准稳压电路,给6脚提供供电电压。

在6脚内设置了欠压压保护电路,当输入电压低于8.3V~10.3V时,此时UVLO电路开启,IC停止输出;当输入电压高于14.3V~16.5V时,UVLO电路关闭,不影响芯片的正常工作。

还设置了过压保护电路(OVP),当输入电压高于24V~26V且FB反馈电压为3V时,过压保护电路启动被闩锁,芯片停止工作。

OB5269内部有一个4ms的软启动软电路,主要用在电源启动的过程中,在通电时被激活按时序进行。当VDD达到UVLO(OFF)时,CS峰值电压从0V逐渐增加到最大时,每次重启都将重新执行软启动,来保护后级电路不被大电流损坏。

②脚:OB5269提供绿色能模式下控制方式,以减少在轻负载和无负载条件下开关频率。VFB电压是从反馈回路得到被取作参考值,一旦VFB小于阈值电压(Vref绿色2V)下,开关频率被连续地降低到22KHz的最小绿色模式频率。

在轻载或空载情况下,FB输入降至突发模式的阈值电压(Vref_burst_L),芯片进入突发模式控制;门驱动器输出开关只有在FB电压高于阈值电压(Vref_burst_H)输出一个状态。只有这样栅极驱动器保持在关闭状态,可减少开关损耗和降低待机功耗。

二合一电源OB5269CP+AP3041方案 --原理与维修(一)

图7 过压反馈电路


从图7可以看出,FB反馈电压来自由:U3、U2A、R237、R236、R231组成的基准稳压取样反馈电路。24V、5VSB通过电阻R237、R236、R235、R234分压在U3上形成标准的2.5V电压,如果某路电压升高时,势必导致U3导通对地,那么5VSA通过光耦电流增大,2脚电压被拉低到地,低于阈值电压时,芯片进入突发控制模式,栅极停止输出。

(未完待续)

相关热词:#液晶维修

最新文章
什么是BCD码_BCD码怎么换算?什么是BCD码_BCD码怎么换算?

时间:2026-04-25

几种toString的性能对比几种toString的性能对比

时间:2026-04-25

电感的三个法则电感的三个法则

时间:2026-04-25

薄膜和厚膜电阻的区分薄膜和厚膜电阻的区分

时间:2026-04-25

14种大功率PCB设计技巧14种大功率PCB设计技巧

时间:2026-04-25

什么是RTSP? RTSP和RTMP的区别什么是RTSP? RTSP和RTMP的区别

时间:2026-04-24

LCD1602显示原理LCD1602显示原理

时间:2026-04-24

什么是BGA?BGA的结构和性能什么是BGA?BGA的结构和性能

时间:2026-04-24

降低电机驱动风险:栅极驱动器隔离的关键作用降低电机驱动风险:栅极驱动器隔离的关键作...

时间:2026-04-24

电阻温度系数电阻温度系数

时间:2026-04-24