当前位置:首页 > 维修 > 正文

液晶电源管理芯片MP3398A是一款具有4个电流通道的升压控制器

来源:网络  发布者:电工基础  发布时间:2026-03-09 14:44
概述:MP3398A是一款具有4个电流通道的升压控制器,旨在驱动白光LED阵列用于大型LCD面板背光应用。它通过并联两个或多个IC共享一个电源,以此来扩展LED通道数量。MP3398A采用具有固定开关频率的峰值电流模式。可通
概述:MP3398A是一款具有4个电流通道的升压控制器,旨在驱动白光LED阵列用于大型LCD面板背光应用。它通过并联两个或多个IC共享一个电源,以此来扩展LED通道数量。MP3398A采用具有固定开关频率的峰值电流模式。可通过外部设置电阻进行调节频率。
MP3398A驱动一个外部MOSFET,以将4.5V输出电压升压至33V输入电源。它可以将每个 LED 串的电流调节至外部电流设置电阻设定的电流值。MP3398A 采用4个 内部电流源以平衡电流。灯串之间的电流匹配精度为2.5%。LED 电流源上的低调节电压可降低功率损耗。
MP3398A同时支持独立模拟调光和PWM调光,以适应不同的调光模式需求。

此外,该器件还提供丰富的保护功能,如过流保护(OCP)、过温保护( OTP)、欠压保护(UVP)、过压保护(OVP)、LED 短路/开路保护,电感/二极管短路保护。MP3398A采用SOIC16(TSSOP16-EP)和SOIC20封装。


一、MP3398A引脚功能

液晶电源管理芯片MP3398A是一款具有4个电流通道的升压控制器


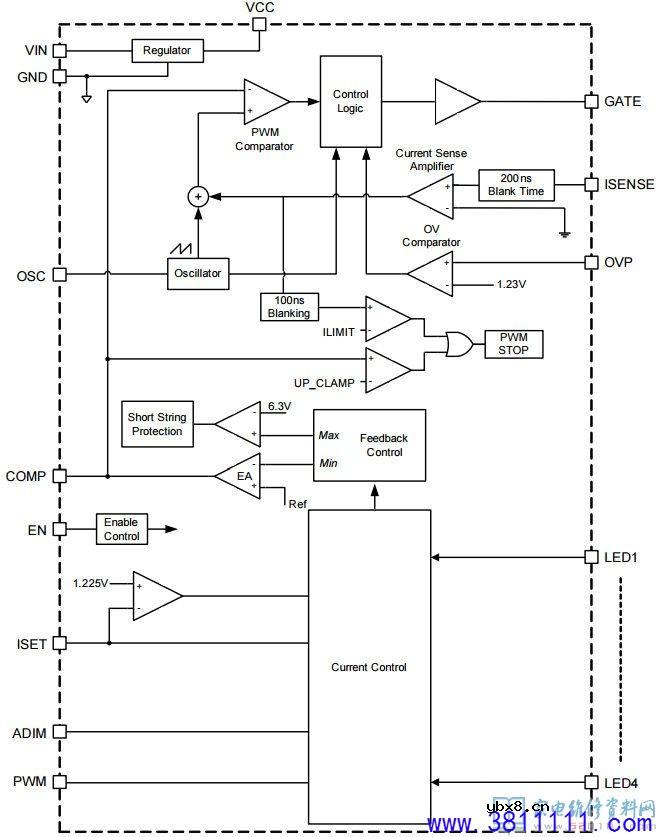
二、MP3398A内部方框图

液晶电源管理芯片MP3398A是一款具有4个电流通道的升压控制器


三、MP3398A典型应用电路

液晶电源管理芯片MP3398A是一款具有4个电流通道的升压控制器


四、MP3398A开机实测引脚电压值(胜利VC9806数字表测得)

引脚待机开机引脚待机开机
101.3294.480.35
203.13104.480.35
303.27114.480.35
4001200.8
501.231300
601.231401.55
703.131512.1212.12
84.480.351605.95


五、MP3398A修改横流输出的方法

如下图所示,直接去掉一个100K,用电阻15K 电流250毫安 全部去掉换成22K,电流160毫安。

液晶电源管理芯片MP3398A是一款具有4个电流通道的升压控制器

液晶电源管理芯片MP3398A是一款具有4个电流通道的升压控制器

液晶电源管理芯片MP3398A是一款具有4个电流通道的升压控制器

相关热词:#液晶维修

最新文章
什么是BCD码_BCD码怎么换算?什么是BCD码_BCD码怎么换算?

时间:2026-04-25

几种toString的性能对比几种toString的性能对比

时间:2026-04-25

电感的三个法则电感的三个法则

时间:2026-04-25

薄膜和厚膜电阻的区分薄膜和厚膜电阻的区分

时间:2026-04-25

14种大功率PCB设计技巧14种大功率PCB设计技巧

时间:2026-04-25

什么是RTSP? RTSP和RTMP的区别什么是RTSP? RTSP和RTMP的区别

时间:2026-04-24

LCD1602显示原理LCD1602显示原理

时间:2026-04-24

什么是BGA?BGA的结构和性能什么是BGA?BGA的结构和性能

时间:2026-04-24

降低电机驱动风险:栅极驱动器隔离的关键作用降低电机驱动风险:栅极驱动器隔离的关键作...

时间:2026-04-24

电阻温度系数电阻温度系数

时间:2026-04-24