MOSFET的半桥驱动电路设计要领详解
时间:2026-03-07
H桥驱动电路原理图及使能控制和方向逻辑
时间:2026-03-07
相近又有所区别,解析射频和数字电路设计的...
时间:2026-03-07
全面解读电动汽车电机基础知识
时间:2026-03-07
电机的星形接法和三角形接法有何不同?来看...
时间:2026-03-07
隔离RSM232的应用
时间:2026-03-07
热得快电路图解析
时间:2026-03-07
你所不知道的数字电路识图技巧
时间:2026-03-07
电路分享:声光控节电开关电路设计
时间:2026-03-07
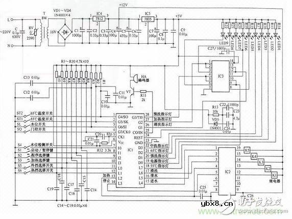
电路分享:用微处理器如何设计洗碗机电路
时间:2026-03-07
彩灯电路
时间:2026-03-05
三相异步电动机原理
时间:2026-03-04
三相异步电动机的七种调速方式
时间:2026-03-04
转角测量电路
时间:2026-03-05
经典的正弦波发生电路
时间:2026-03-05
电动机单线远程正反转控制电路图
时间:2026-03-04
USB转232电路图
时间:2026-03-04
电度表的工作原理
时间:2026-03-04
电风扇红外遥控器2
时间:2026-03-04
三相异步电动机的拆装详讲
时间:2026-03-04