互感器基础知识大全 电流互感器和电压互感器的区别
工控原理2026-03-05
互感器的作用: 1、将一次回路的高电压和大电流变为二次回路的标准值, 可以使二次设备小型化、标准化。
绝缘电阻试验原理及目的分析
工控原理2026-03-05
电力系统运行着众多的电力设备,而电力设备的安全运行是保证安全可靠发供电的前提。而电力设备在运行中,由于电压、热、化学、机械振动以及其他因素的影响,其绝缘性能会出现劣化,甚至会失去绝缘性能,造成事故。
继电保护及安全自动装置设计要求
工控原理2026-03-05
与传统的载波通道相比,光纤通道在可靠性和易维护性方面都有很大提高,适合用来作为线路纵联保护通道。需要强调的是每套线路保护所用的通道,无论是光纤通道还是载波通道,在物理上必须完全独立,其中一个通道任何
电力系统有哪些故障?电力系统不对称故障如何计算?
工控原理2026-03-05
正序系统(网络) : 由发电机、变压器、线路、负荷等元件的正序等值电路,按照系统实际接线连接而成的网络。稳态分析中的电力系统。
工控原理2026-03-05
当系统在运行中由于受到某些突然扰动,出现电流、电压、功率等运行参数的剧烈变化和振荡的过程。
锂离子储能电站系统构成、安全预警与保护技术
工控原理2026-03-05
锂离子储能电站由电池系统、功率变换系统、电池管理系统、能量管理系统等组成,其中电池系统和电池管理系统的缺陷是造成事故的主要原因。
如何防止过电压对变电设备的危害(避雷器、避雷针、接地装置)
工控原理2026-03-05
为了防止过电压对变电设备的危害,变电站装有避雷器、避雷针、接地装置、避雷线、消弧线圈、放电间隙等过电压保护设备。本课件着重介绍避雷器、避雷针、接地装置相关知识。
高压开关长什么样?有什么种类?
工控原理2026-03-05
一、高压开关长什么样?有什么种类? 二.高压开关有什么功能? 三、为什么断路器是高压开关中的No.1?
电力系统负荷的基本概念及分类
工控原理2026-03-05
电力系统负荷是电力系统用户用电设备所消耗电功率的总和,也称为电力系统综合用电负荷。主要有电动机(同步和异步)、电炉、电热器、照明、整流设备等,在不同行业中比重不同,最多的是异步电动机。
不同类型发电厂厂用电接线基础知识
工控原理2026-03-05
一、对厂用电接线的要求 各机组的厂用电系统应是独立的。 全厂性公用负荷应分散接入不同机组的厂用母线或公用负荷母线。
110kV油浸电力变压器组成及应用
工控原理2026-03-05
自动重合闸的作用及基本要求
工控原理2026-03-05
自动重合闸的作用 优点 ①大大提高供电可靠性,减少停电次数。对单侧电源系统效果尤为明显
如何对不同主接线下CT保护范围交叉检查
工控原理2026-03-05
对于两个相邻设备保护之间的保护范围必须完全交叉,否则会出现保护死区而引起保护拒动,导致越级跳闸和大范围区域事故的发生,严重影响电网稳定运行。因此,CT保护范围交 叉检查是在基建工程新建CT或大修技改工程
母线保护原理 母线保护动作案例分析
工控原理2026-03-05
1、母线发生短路的机率比线路少,但母线故障不能迅速可靠切除,对系统的影响大。
电力调度术语及规范用语
工控原理2026-03-05
对有变刀闸的主变或联变,指变压器各侧刀闸均在断开位置,并在变压器各侧合上接地刀闸(或挂上接地线),断开变压器冷却器电源。
新型电力系统故障暂态电气量宽频域应用
工控原理2026-03-05
郑晓冬(上海交通大学) 2023年9月末,浙江电网发电装机容量12727.51万千瓦,新能源装机占比30.8% (其中风电495.08万千瓦,太阳能发电3100.30万千瓦,生物质发电286.50万千瓦)。浙江电网目前建成+800千伏宾金直
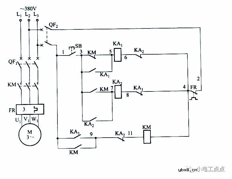
防止相间短路的正反转控制电路图
时间:2026-03-08
用一只按钮控制电动机启停电路图
时间:2026-03-08
三相异步电动机能耗制动电路图和工作原理讲...
时间:2026-03-08
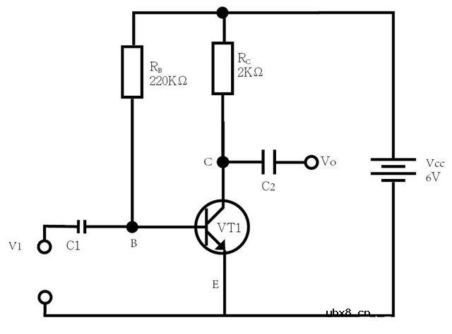
三极管放大电路的原理解析
时间:2026-03-08
三相异步电动机控制电路分析
时间:2026-03-08
电动机控制电路图分享
时间:2026-03-08
电工常用电动机控制电路图集
时间:2026-03-08
一键开关机电路图 一键开关机电路原理详解
时间:2026-03-08
按键开关机电路图 按键开关机电路设计方案
时间:2026-03-08
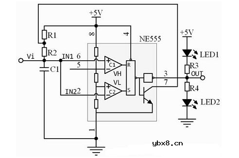
IC 555 定时器用途和应用
时间:2026-03-08
智能硬件遭遇销量困局 看社区O2O如何破解
时间:2026-03-05
智慧工厂能耗在线监控平台开发能源管控系统...
时间:2026-03-05
物联网的前世今生:什么是物联网?实现物联...
时间:2026-03-06
智能停车场一体化控制器方案简述
时间:2026-03-05
推动物联网发展,供电是基础设备的生命线
时间:2026-03-05
楼宇对讲走向标准化 四大发展方向明确
时间:2026-03-05
嵌入式系统--物联网重要技术组成
时间:2026-03-05
车联网——汽车工业未来的发展
时间:2026-03-05
电流互感器基础知识讲解
时间:2026-03-05
成套开关柜二次布线工艺示范及讲解
时间:2026-03-05