电工问答2026-03-06
骁龙835已经展现在大家的面前,那么首先搭载它的机型会是哪款呢?从之前三星的表态来看,Galaxy S8要在今年4月发布,所以它应该不会是首发机型了,而接下来的另一个热门就是小米6,事实上也确实如此。
电工问答2026-03-06
Intel在今晨的CES大展以VR为主题,重点推介了一体化VR眼镜Alloy,内置7代酷睿处理器、电池组、RealSense技术等,今年Q4上市。
电工问答2026-03-06
华为旗下的华为平板 M3搭载了我们熟悉的麒麟950处理器,加上4GB的超大运存,即使大型游戏也能游刃有余,麒麟950处理器八核处理器的优点还是非常明显的,良好的温控表现、出色能耗比,稳定的游戏性能与优秀的
电工问答2026-03-06
现在,国外媒体已经抢先放出了华硕ZenFone AR的真机图上,整机看起来非常大气,机身正面覆盖2.5D弧面玻璃,背部边缘也做了弧度,同时为了让手感更加出色,背壳包裹的是合成皮革。除了8GB内存这个十足噱头外,Zen
电工问答2026-03-06
在1月4日神舟电脑以一场“芯选择 十力派”2017春季新品发布会携英特尔第七代处理器一口气发布了25款新品,其中覆盖了战神超薄游戏Z6/Z7M系列、极致游戏Z7/Z8系列、战神K650D/K660D系列、玩家级游戏本系列ZX7
相比国产手机的成功,国产发布的笔记本更是亮点十足!
电工问答2026-03-06
说到国产制造,大家首先想到了值得骄傲的国产手机。像华为、小米的成功,确实值得其它行业的学习。其实笔者感觉大家可能遗忘了国产IT届的巨头神舟电脑。早在十年前,笔者就认为了神舟电脑,上学时买的第一款
电工问答2026-03-06
LG在今天的CES展会上正式展示了新一代14英寸Gram超极本14Z970,新机型除了配备最新性能硬件和新型接口外,最大卖点就是“全球最轻”。
神舟优雅X4全新升级 性价比之王,杠杠的!
电工问答2026-03-06
神舟优雅X4-KL7S1是近期推出的轻薄型笔记本产品,该机延续了神舟一贯的产品风格以及市场定位,银白色合金顶盖搭配上银白色机身与黑色2级可调的白色背光键盘,给人一种纯色的简约视觉体验。该机相比同价位其
电工问答2026-03-06
宏碁公司于2017美国CES消费电子展期间,发布全新 Acer Chromebook 11 N7笔记本电脑。该机型可快速开机即刻执行工作任务,且坚固耐用并安静无声,长达12小时的长效电池续航力,可为奔波课堂与课堂间、下课后忙碌于
电工问答2026-03-06
三星刚 刚发布的Notebook Odyssey可以被看作是对联想Legion的回应。这款游戏本有15和17英寸两种屏幕大小可选,但机身设计看上去就像是Alienware设计部门实习生的退稿。与此同时,这两款笔记本自身的原创性非常之
电工问答2026-03-06
作为一个骨灰级的游戏迷,要想随时随地可以爽一把,那么有必要入手一款游戏笔记本了。而笔记本的好坏决定着玩游戏时“嗨”的程度。而有着不同诉求的游戏玩家对于笔记本的选择也各有不同。
电工问答2026-03-06
据外媒The Verge报道,日前戴尔在拉斯维加斯的CES消费电子展上发布了首款无线充电二合一商务笔记本Latitude 7285。
戴尔XPS13二合一变形本限量发售,价格媲美苹果MacBookPro
电工问答2026-03-06
戴尔在CES 2017中推出了全新的的XPS 13 2in1,这是XPS 13系列首次采用二合一设计,戴尔XPS 13二合一笔记本具备了普通变形本的特性,用户通过翻转显示屏能在笔记本模式和平板模式之间随意切换。
电工问答2026-03-06
北京时间1月5日消息,联想在2017年CES上发布了全新升级的ThinkPad X1系列,其中包括商务本ThinkPad X1 Carbon 2017、变形本ThinkPad X1 Yoga 2017以及平板ThinkPad X1 Tablet 2017。
雷蛇三联屏笔记本竟在CES展上被偷 官方悬赏17万缉凶
电工问答2026-03-06
雷蛇的三联屏笔记本原型机“Project Valerie”在CES 2017的展台被别人偷走了,目前雷蛇悬赏25000美元(约173400元)缉拿偷电脑的窃贼。
搭载十系显卡炫龙炎魔T1Ti游戏本 性能堪比台式机
电工问答2026-03-06
现在的游戏本好像已经不如以前一样给人那么高大上的感觉了,有些甚至亲民到如一般笔记本的价格,不过当然想要更好的配置价格方面也不会这么低,而作为一个游戏发烧友来说现在的高端游戏本的实惠真的之前都没见到
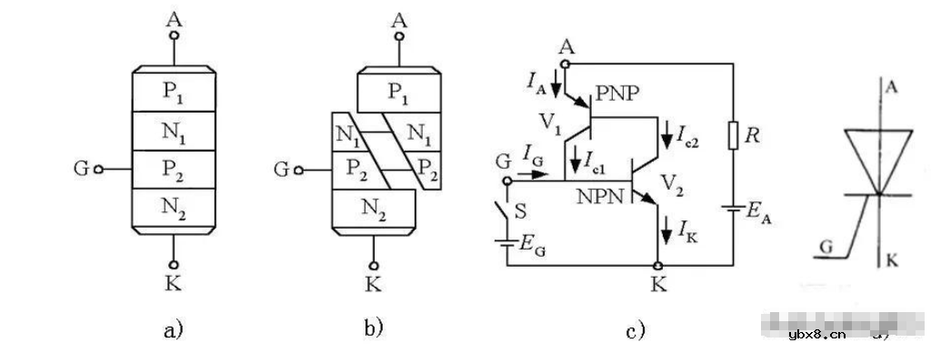
晶闸管的工作特性总结
时间:2026-03-12
晶闸管的基础知识
时间:2026-03-12
晶闸管的结构和工作原理 单相晶闸管无触点开...
时间:2026-03-12
可控硅是什么材料制造的?可控硅是三极管吗...
时间:2026-03-12
晶闸管的定义、工作原理及结构
时间:2026-03-12
单向晶闸管的工作原理、构成及电路符号
时间:2026-03-12
双向晶闸管的工作原理及符号图
时间:2026-03-12
晶闸管导通和关断的条件是什么?如何去实现...
时间:2026-03-12
可关断晶闸管具有单向导电性吗?
时间:2026-03-12
igct工作原理_igct的构成
时间:2026-03-12
瞬间抑制二极管(TVS)/瞬间抑制二极管(TVS)是...
时间:2026-03-04
什么是追踪缓存/转接卡?
时间:2026-03-06
什么是EPIC
时间:2026-03-06
什么是Speculative execution/SQRT?
时间:2026-03-06
什么是联合并行处理二级缓存?
时间:2026-03-06
什么是因特网数据流单指令序列扩展?
时间:2026-03-06
双向二极管起什么作用?
时间:2026-03-04
什么是CPU的生产工艺技术/向下兼容?
时间:2026-03-06
EMC和ESD防护技术
时间:2026-03-05
什么是霍尔传感器
时间:2026-03-05