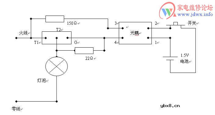
双向可控硅用途较广,但其电气特性较特殊,用万用表有时很难准确测量出其好坏,现用一个简单的触发电路,通过灯泡的亮灭可准确判断出可控硅的好坏。
方法说明: 1、如图,第1脚是T1脚,第2脚是T2脚,第3脚是G脚,用万用表1K电阻档或二极管档测量:T1--T2阻值无穷大,T1--G阻值在90--200殴之间,T2--G阻值无穷大(不管红黑表笔如何对调)。 2、当光耦2脚所接的开关在开的时候,灯泡不亮,开关接通时,灯泡点亮,开关一关,灯泡即灭,可控硅是好的。 3、当光耦2脚所接的开关在开的时候,炮泡点亮(哪怕是微亮),可控硅是坏的。 4、当光耦2脚所接的开关在开的时候,灯泡不亮,开关接通时,灯泡点亮,开关一关,灯泡还在亮,可控硅是坏的。 |
相关热词:#电子技术
“ins”是什么意思?深入了解Instagram(ins...
时间:2026-03-15
什么是antd?antd的优势和特点
时间:2026-03-15
KDS都有哪些含义?KDS的不同含义
时间:2026-03-15
什么是NFC功能?2023年手机NFC功能的含义与...
时间:2026-03-15
Tektronix - 电驱逆变器测试 - 从电池到电驱...
时间:2026-03-15
什么是电解电容器?电解电容定义
时间:2026-03-15
信噪比是什么_深入解析信噪比
时间:2026-03-15
什么是上位机_上位机的工作原理_上位机的作...
时间:2026-03-15
oem和odm的区别
时间:2026-03-15
什么是继电保护?继电保护的原理和分类
时间:2026-03-15
豆浆机更换电机全过程
时间:2026-03-09
电信 IPTV 常见故障排除方法与检修实例 (三...
时间:2026-03-08
华哥现场分享线电压、相电压,电工知识轻松...
时间:2026-03-10
电工距离保护有几段?这解释合理不?
时间:2026-03-10
电工有三把锁,今天电工现场教你其中的一把...
时间:2026-03-10
电动机的工作原理是什么,一起回顾下中学时...
时间:2026-03-10
电工知识分享视频
时间:2026-03-10
乙炔瓶爆炸,瞬间引燃仓库数百个钢瓶,场面...
时间:2026-03-09
九阳电压力锅维修过程
时间:2026-03-09
家里220伏电源如何启动380伏三相异步电动机...
时间:2026-03-10