联通iPhone 3GS和iPhone 3G技术规格
尺寸和重量
高度: 115.5毫米
宽度: 62.1毫米
厚度: 12.3毫米
重量: 135克
随机装箱
iPhone 3GS
带遥控功能和麦克风的 Apple 耳机
Dock Connector to USB 线缆
UDB 电源转换器
资料
SIM 弹出工具
容量
16GB 或 32GB 闪存
显示屏
3.5 英寸(对角线)Multi-Touch 触控宽屏幕
480 x 320 像素分辨率,每英寸 163 像素
支持多种语言文字同时显示
防油渍外膜
移动电话网络
UMTS/HSDPA(850 , 1900 , 2100 MHz)
GSM/EDGE(850 , 900 , 1800 , 1900 MHz)
无线数据
HSDPA (850, 1900, 2100 MHz)
EDGE
Bluetooth 2.1 + EDR
定位功能
辅助全球卫星定位系统
数字指南针
移动网络
相机
300 万像素
自动对焦
拍摄视频
视频
支持视频格式:H.264 视频最高可达 1.5Mbps,640 x 480,每秒 30 影格,Low-Complexity 版本的 H.264 Baseline Profile采用 AAC-LC 声音格式,最高 160 Kbps,48KHz,立体声为 .m4v, .mp4 与 .mov 文件格式;H.264 视频最高达 2.5 Mbps,640 x 480,每秒 30 影格,Baseline Profile 达 Level 3.0 ,采用 AAC-LC 声音格式,最高 160 Kbps,48KHz,立体声为 .m4v, .mp4 与 .mov 文件格式;MPEG-4 视频最高可达 2.5 Mbps,640 x480,每秒 30 影格,Simple Profile 采用 AACLC声音格式,最高 160 Kbps,48 KHz,立体声为 .m4v、.mp4 与 .mov 文件格式
音频
响应频率范围:20Hz 至 20,000Hz支持声音文件格式 AAC、ProtectedAAC、MP3、MP3 VBR、Audible (格式 2、3、与 4)、 Apple Lossless、AIFF、与 WAV
耳机
带遥控功能和麦克风的 Apple 耳机
音量调节
响应频率:20Hz 至 20,000Hz
阻抗:32 ohms
Mac 系统要求
配备 USB 2.0 端口的 Mac 电脑
Mac OS X v10.4.11 或更新版本
iTunes 8.2 或更新版本
互联网接入
PC 系统要求
配备 USB 2.0 端口的 PC 电脑
Windows Vista; or Windows XP Home或含 Service Pack 2 或更新版本的Windows Professional
iTunes 8.2 或更新版本
互联网接入
环境要求
工作温度: 0° 至 35° C (32° 至 95° F)
非工作温度:- 20° 至 45° C ( - 4° 至 113° F)
相对湿度:非凝结状态下5% 至 95%
最大作业高度: 3000 米 (10,000 英尺)
输入与输出
30-pin dock 端口
3.5 毫米立体声耳机迷你插孔
内置扬声器
内置麦克风
SIM 卡托架
电力和电池
内置可充电式锂电池
通话时间: 使用 3G 网络时长达 5 小时,使用2G 网络时长达 12 小时
待机时间:长达 300 小时
互联网使用:使用 3G 网络时长达 5 小时
视频播放:长达 10 小时
音频播放:长达 30 小时
简单方便的可调十步时序控制电路
时间:2026-03-07
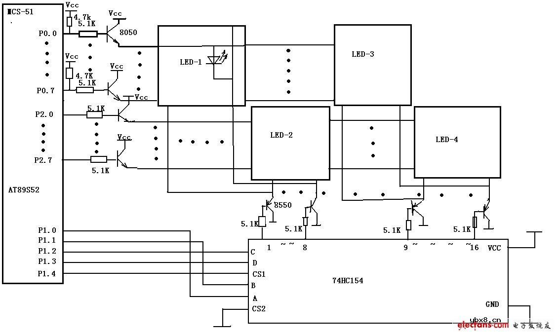
LED点阵屏显示电路图
时间:2026-03-07
电子钟显示部分电路原理图
时间:2026-03-07
单片机数字电容表电路图
时间:2026-03-07
电动自行车里程表原理图
时间:2026-03-07
基于单片机的数字频率计电路图
时间:2026-03-07
遥控电扇系统红外遥控发射电路原理图
时间:2026-03-07
红外遥控接收电路图
时间:2026-03-07
基于智能功率技术的荧光灯驱动电路解决方案
时间:2026-03-07
给电话机巧设定时免打扰功能
时间:2026-03-07
什么是追踪缓存/转接卡?
时间:2026-03-06
瞬间抑制二极管(TVS)/瞬间抑制二极管(TVS)是...
时间:2026-03-04
什么是EPIC
时间:2026-03-06
什么是联合并行处理二级缓存?
时间:2026-03-06
什么是Speculative execution/SQRT?
时间:2026-03-06
什么是霍尔传感器
时间:2026-03-05
双向二极管起什么作用?
时间:2026-03-04
半导体材料的主要种类有哪些?
时间:2026-03-04
高级封装,高级封装是什么意思
时间:2026-03-04
数字比较器,数字比较器是什么意思
时间:2026-03-04