随着设计与制造技术的发展,集成电路设计从晶体管的集成发展到逻辑门的集成,现在又发展到IP的集成,即SoC(System-on-a-Chip)设计技术。SoC可以有效地降低电子/信息系统产品的开发成本,缩短开发周期,提高产品的竞争力,是未来工业界将采用的最主要的产品开发方式。
从大处来分,SOC含有:
1.逻辑核包括CPU、时钟电路、定时器、中断控制器、串并行接口、其它外围设备、I/O端口以及用于各种IP核之间的粘合逻辑等等;
2.存储器核包括各种易失、非易失以及Cache等存储器;
3.模拟核包括ADC、DAC、PLL以及一些高速电路中所用的模拟电路。

MT7621内置强大的MIPS®1004KEc™双核CPU(工作频率均为880MHz),集成了5端口10/100/1000Mbps工业级以太网交换机及一个RGMI接口,支持USB3.0、USB2.0、SD-XC、NAND和eMMC等多种存储接口规格,并可通过第三个Ple接口转接出两个SATA3.0接口
802.11ac网卡及80211n网卡通过高速PCIe接口的连接,成为80211ac双频路由器,以Gbps级别的局域网带宽,传输高画质影音及大量数据下载备份。
此外,MT7621还集成了2 Gbps Ipv4/6网络地址转换技术(NAT)、QS功能( Quality ofService)、 SAMBA及虚拟专用网络(VPN)硬件加速器,使得MT7621可以满足高速802.11ac、LTEcat4/5、edge、无线热点、VPN、访问控制、家庭安全网关、NFC路由器(MT6605)、1-bay或2- bay SATA Nas等多种应用需求。

ipq8064拥有两个Krait300CPU核心,主频最高14GHz,集成两个多线程的网络加速器引擎,频率最高730MHz,可处理最高5Gbps的数据吞吐量,全面支持Wi-Fi802.11ac、LTE、有线以太网、有线/无线混合网络、Homeplug电力线等等,此外还有电源管理引擎、Trustzone安全引擎IPQ8064还支持一系列的I/O输入输出功能,包括三条PCI-Ex1通道、一个SATA6Gbps接口、两个USB3.0接口、XGMI(10Gbps媒体独立界面)、NAND、SDIO,内存支持PCDDR3-1066。
给电话机巧设定时免打扰功能
时间:2026-03-07
简单便利的换气扇开关自动控制装置
时间:2026-03-07
家用遥控电门锁的设计与制作
时间:2026-03-07
便利节能的照明灯延时控制电路
时间:2026-03-07
简单的与非门抢答器电路设计
时间:2026-03-07
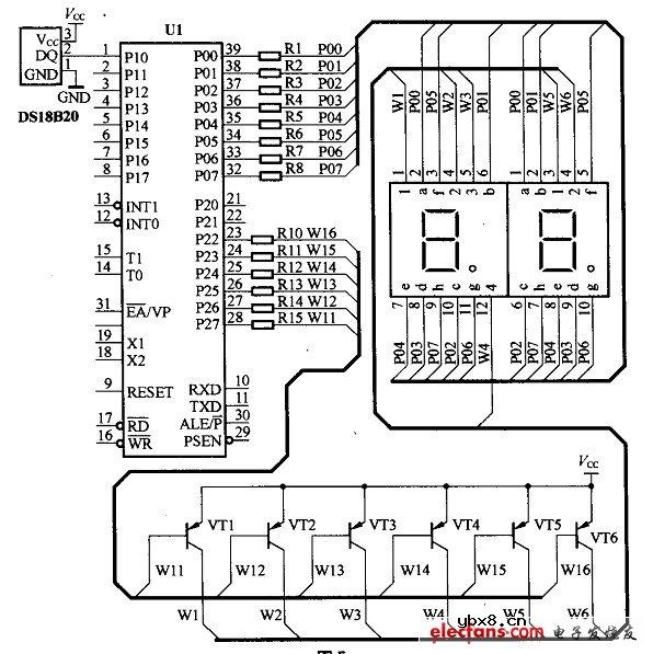
基于单片机的温度计电路原理图
时间:2026-03-07
简单的限电自动控制器设计
时间:2026-03-07
制作声光双控延迟节能灯
时间:2026-03-07
信号检测及处理电路图
时间:2026-03-07
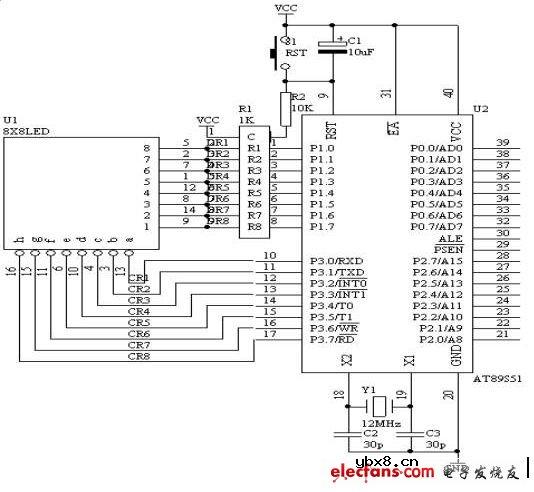
8*8 LED点阵显示电路图
时间:2026-03-07
什么是追踪缓存/转接卡?
时间:2026-03-06
瞬间抑制二极管(TVS)/瞬间抑制二极管(TVS)是...
时间:2026-03-04
什么是EPIC
时间:2026-03-06
什么是联合并行处理二级缓存?
时间:2026-03-06
什么是Speculative execution/SQRT?
时间:2026-03-06
什么是霍尔传感器
时间:2026-03-05
双向二极管起什么作用?
时间:2026-03-04
半导体材料的主要种类有哪些?
时间:2026-03-04
高级封装,高级封装是什么意思
时间:2026-03-04
数字比较器,数字比较器是什么意思
时间:2026-03-04