Maxim公司的MAXM22510/MAXM22511是隔离的RS-485/RS-422全双工收发器模块,在电缆边(RS-485/RS-422驱动器/接收器边)和UART边提供2500VRMS(60秒)电隔离,集成的DC/DC电源给模块的电缆边供电,不需要外接元件.MAXM22510通信速率高达500kpbs,MAXM22511通信速率高达25Mbps,可用于工业4.0如工业自动化,可编逻辑控制器(PLC),HVAC,功率表和建筑物自动化。本文介绍了MAXM22510/1主要优势和特性,功能框图,应用电路,以及评估板MAXM22511 EVK主要特性,电路图,材料清单和PCB设计图。
The MAXM22510 and MAXM22511 isolated RS-485/ RS-422, full-duplex, transceiver modules provide 2500VRMS (60s) of galvanic isolation between the cable-side (RS-485/RS-422 driver/receiver side) and the UART-side of the device. An integrated DC-DC powers the cable-side of the module. No external components are required.
Isolation improves communication by breaking ground loops and reduces noise when there are large differences in ground potential between ports. These devices allow for robust communication up to 500kpbs (MAXM22510) and 25Mbps (MAXM22511)。
The MAXM22510/MAXM22511 operate from a single 3.3V supply on the UART-side. An integrated DC-DC converter generates the 3.3V operating voltage for the cable-side of the module.
The devices include one drive channel and one receive channel. The receiver is 1/4-unit load, allowing up to 128 transceivers on a common bus. Integrated true fail-safe circuitry ensures a logic-high on the receiver output when inputs are shorted or open. Undervoltage lockout disables the driver when cable-side or UART-side power supplies are below functional levels.
The driver outputs and receiver inputs are protected from ±35kV electrostatic discharge (ESD) to GNDB on the cable-side, as specified by the Human Body Model (HBM)。
The MAXM22510/MAXM22511 are available in an LGA 44-pin package and operate over the -40℃ to +105℃ temperature range.
MAXM22510/1主要优势和特性:
Space Saving Solution Fully Integrated Module for Compact Design
High-Performance Transceiver Enables Flexible Designs Integrated DC-DC for Cable-Side Power
Compliant with RS-485 EIA/TIA-485 Standard
500kpbs Maximum Data Rate for the MAXM22510
25Mbps Maximum Data Rate for the MAXM22511
Allows Up to 128 Devices on the Bus
Integrated Protection Ensures for Robust Communication ±35kV ESD (HBM) on Driver Outputs/Receiver Inputs
2.5kVRMS Withstand Isolation Voltage for 60 Seconds (VISO)
630VPEAK Maximum Repetitive Peak-Isolation Voltage (VIORM)
445VRMS Maximum Working-Isolation Voltage (VIOWM)
Withstands ±10kV Surge per IEC 61000-4-5
Thermal Shutdown
Safety Regulatory Approvals Pending
UL According to UL1577
cUL According to CSA Bulletin 5A
MAXM22510/1应用:
Industrial Automation
Programmable Logic Controllers
HVAC
Power Meters
Building Automation

图1.MAXM22510/1功能框图

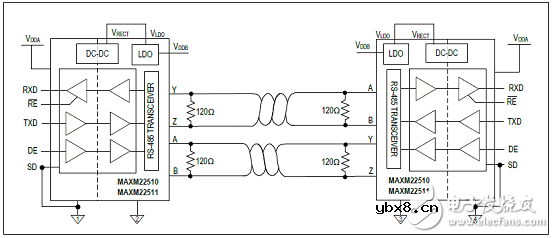
图2.MAXM22510/1隔离全双工RS-485/RS-422应用电路

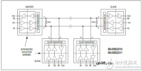
图3.MAXM22510/1典型隔离点对点应用框图

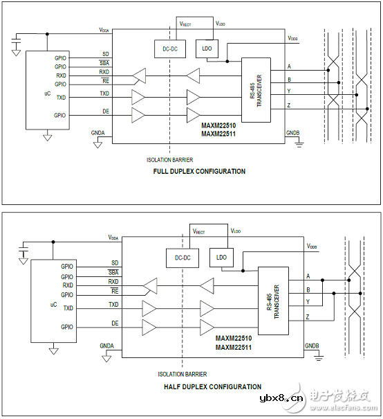
图4.MAXM22510/1典型应用电路图
评估板MAXM22511 EVK
The MAXM22511 evaluation kit (EV kit) is a fully assembled and tested PCB that demonstrates the functionality of the MAXM22511 isolated RS-485/RS-422 transceiver module. The EV kit operates from a single 3.3V supply.
The EV kit is a fully assembled and tested circuit board for evaluating the MAXM22511 isolated RS-485/RS-422 transceiver module (U1)。 The EV kit is designed to evaluate the MAXM22511 alone or in a standard RS-485 configuration.
评估板MAXM22511 EVK主要特性:
Operates From a Single 3.3V Supply
Terminal Block Connectors for Easy RS-485/RS-422 Evaluation
Up to 2500VRMS Isolation for 60s
Fully Assembled and Tested

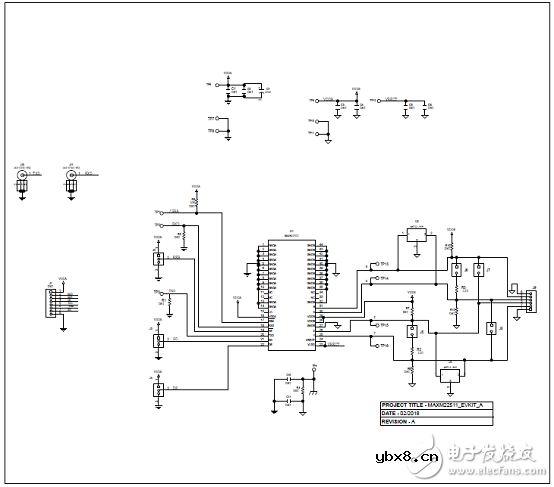
图5.评估板MAXM22511 EVK电路图
评估板MAXM22511 EVK材料清单:


图6.评估板MAXM22511 EVK PCB设计图(1):左:顶层丝印;右:顶层

图7.评估板MAXM22511 EVK PCB设计图(2):左:底层;右:底层丝印
详情请见:
https://datasheets.maximintegrated.com/en/ds/MAXM22510-MAXM22511.pdf
和https://datasheets.maximintegrated.com/en/ds/MAXM22511EVKIT.pdf
MAXM22510-MAXM22511.pdf
影响介电常数的因素有哪些?
时间:2026-04-22
关于电流互感器基础知识介绍
时间:2026-04-22
开关电源的工作原理及特性
时间:2026-04-22
绝缘栅双极型晶体管(IGBT)外形、等效结构与...
时间:2026-04-22
信噪比(SNR)的定义,如何计算信噪比
时间:2026-04-22
波特率是什么意思_怎样计算波特率
时间:2026-04-21
RS485基本知识介绍
时间:2026-04-18
什么是激光雷达?激光雷达的构成与分类
时间:2026-04-18
Excelpoint - 一文了解SiC MOS的应用
时间:2026-04-18
什么是磁电阻器?磁电阻特性及应用
时间:2026-04-18
什么是追踪缓存/转接卡?
时间:2026-03-06
GPS接收机的分类
时间:2026-03-07
什么是GPS旅行提示器/屏幕尺寸
时间:2026-03-07
GPS的WAAS跟踪性能
时间:2026-03-07
GPS设备的动态性能
时间:2026-03-07
EMC和ESD防护技术
时间:2026-03-05
GPS设备的地图功能
时间:2026-03-07
坐标基准
时间:2026-03-07
GPS的接口有哪些类型?
时间:2026-03-07
什么是EPIC
时间:2026-03-06