当前位置:首页 > 电工问答 > 正文

功率放大器的阻抗匹配及防护措施

来源:网络  发布者:电工基础  发布时间:2026-03-06 14:32
功率放大器的阻抗匹配及防护措施 对于主要作用是向负载提供功率的放大电路通常称为功率放大电路,其主要特点如下:一是输出功率是指交变电压和交变电流的乘积,即交流功率;二是交流功率是在输入为正弦波、输出波

功率放大器的阻抗匹配及防护措施

对于主要作用是向负载提供功率的放大电路通常称为功率放大电路,其主要特点如下:一是输出功率是指交变电压和交变电流的乘积,即交流功率;二是交流功率是在输入为正弦波、输出波形基本不失真时定义的;三是输出功率大,因而消耗在电路内的能量和电源提供的能量也大;四是晶体管常常工作在极限应用状态,由此要考虑必要的散热措施和过电流、过电压的保护措施。下面就功率放大器的阻抗匹配及防护措施作以扼要介绍。

一、功率放大器的阻抗匹配

在所有电子音像设备中,都有一个功率输出的最佳方案问题,即为了获得最大的功率输出而又不增加电路的投资经费,这就是功率放大器与扬声器系统的最佳组合。

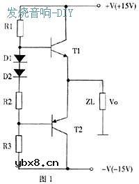
功率放大器组合的目的是为了达到最小的设备投资而获得最大的功率输出,以图1互补型功率放大电路为例:和为功放朱级,工作于低偏置甲乙类互补状态。它的输出功率近似于乙类状态。

功率放大器的阻抗匹配及防护措施

功率放大器的阻抗匹配及防护措施


为了达到最大输出功率,所以负载的大小应该使功率管的电流输出和电压输出的乘积最大,这时的状态称为功率匹配状态。在音响设备的扬声器系统中音响的输出阻抗应为扬声器组合状态的总阻抗,这样音响的输出功率才是标明的额定标准功率,否则音响的输出功率就达不到要求。

例如:音响标准接头上标明是4Ω、100W,那么该接头上的阻抗就是两个8Q扬声器的并联,每个扬声器可得到50W,这样综合扬声器系统,就是4Ω、100W,否则不能实现100w的功率输出。

二、功率放大器的防护

功率管是功率放大电路中最容易受到损坏的器件,损坏的大部分原因是由于管子的实际耗散功率超过了额定数值。另外,若功率放大器与扬声器失配或扬声器使用中长期过载,也极易损坏扬声器(或音箱),因此,在音响设备中,防护的目的是保护昂贵的功放和扬声器,所以对电源、功放、音箱的过载和短路保护是完全必要的。

1.电源保护:图2是分立元件稳压电路,电路中Ri的是过载电流取样电阻,当其电压大于0.7V时,V13导通,集电极电位下降,调整管V11断开,限制电源输出电流。

功率放大器的阻抗匹配及防护措施

图3是可调输出电压模块,功耗达70W,电流可达10A,电压调整率为20.8%,输出电压为1.25~15V,且有短路保护。

功率放大器的阻抗匹配及防护措施

当使用开关电源时(例如芯片CWl225),则有专门的保护控制端第⑩脚,只要输入过电流或过电压信号,即可达到保护目的。

2.功放级晶体管保护:功率放大晶体管除在使用中必须注意环境温度及选用合适的散热器外,主要是考虑过电流和过电压保护问题,目前应用的集成电路都设有限流保护和热切断保护功能(如HAl350、HA2211、LM2879等),所以在自制功放时须注意过压保护,如图4所示。依靠R内(电源内阻)和Vl、V2的击穿,使过电压不能升高而保护Vl、V2。

功率放大器的阻抗匹配及防护措施

3.音箱扬声器系统保护:音响系统的保护有两种意义:一种是音响扬声器的过载;另一种不是音频功率的过大、而是直流电位的偏移,导致无电容隔离的OCL或BTL电路扬声器烧毁。过载时,功放电路已经有保护无须另外考虑,这里仅介绍直流偏移组合音响保护电路

图5为组合音响保护电路。从图中可以看出,当左、右声道送入音箱的声音信号,经过R1、R2被电容C2、C3旁路而无直流偏移时,整流桥无直流输出,V11截止,V12、V13导通,继电器K吸合,左、右声频信号经保险丝F输出;当存在直流偏移时,整流桥输出使V11导通,V12、V13截止,继电器K释放切断了音频信号,保护音箱。
电路中C2、C3是滤波电容,C4具有开关机时延时接通音箱功能,避免开机时的冲击噪声,V则具有短路K的断电反电动势作用,保护V12、V13晶体管。

热门文章
什么是追踪缓存/转接卡?什么是追踪缓存/转接卡?

时间:2026-03-06

GPS接收机的分类GPS接收机的分类

时间:2026-03-07

什么是GPS旅行提示器/屏幕尺寸什么是GPS旅行提示器/屏幕尺寸

时间:2026-03-07

GPS的WAAS跟踪性能GPS的WAAS跟踪性能

时间:2026-03-07

GPS设备的动态性能GPS设备的动态性能

时间:2026-03-07

EMC和ESD防护技术EMC和ESD防护技术

时间:2026-03-05

GPS设备的地图功能GPS设备的地图功能

时间:2026-03-07

坐标基准坐标基准

时间:2026-03-07

GPS的接口有哪些类型?GPS的接口有哪些类型?

时间:2026-03-07

什么是EPIC什么是EPIC

时间:2026-03-06