笔记本的结构深入分析
电脑技术的应用为我们的生活和工作带来了巨大改变,使我们的生活学习工作有了质的转变。普通的用户对电脑的了解一般停留在应用的阶段,都基于电脑基础之上做一些应用开发和科研。我们对电脑内部的电路了解多少呢,目前介绍电脑内部电路的资料和书籍很少,对于笔记本电脑的介绍更是少之又少了。下面我们就笔记本电脑电路原理结构图做一介绍。如果希望对电路更深入的了解,请关注本书的网站www.SS5CN.net。
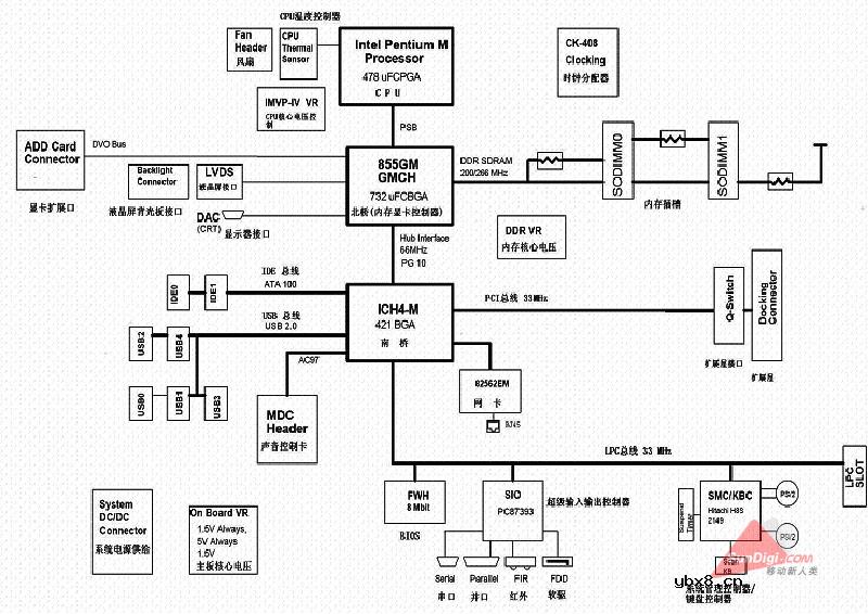
1、笔记本电脑电路结构框图
笔记本电脑的结构图所示,整体上分为五大部分。

(1)以CPU为核心连接了CPU的温度控制电路、CPU核心电压供给电路、CPU散热风扇控制电路。
(2)以内存控制器为核心连接了内存、显卡、CPU、I/O,起着承上启下的作用。
(3)以I/O控制器为核心分别连接了IDE(光驱和硬盘)、USB、网卡、声卡、PCI总线和扩展坞等器件的控制电路和接口电路。
(4)以LPC总线为核心分别连接了SIO(超级输入输出控制器)和SMC/KBC(系统管理控制器/键盘控制器)、FWH(固件集线器),而SIO又包括了串口、并口、红外、软驱的控制电路。SMC/KBC又包括了键盘和鼠标的控制电路和系统管理控制器。
(5)电源供给电路和电池充电电路。
2、笔记本电脑主板单元电路综述
2.1、下面我们就以支持迅驰的Intel的855GM芯片组的整套电路结构做一个简单的介绍。
Pentium M处理器CPU是计算机的大脑,是司令。它管理和控制其他部件进行数据传输和处理。
Pentium M处理器是Intel专门为笔记本电脑设计的一款CPU,它以低频率、低电压和多种节能模式工作,达到了很高的节电水平和很好的性能。它的一些特点如下:
1、片内集成32KB一级缓存和1MB二级缓存;
2、支持SSE2指令集;
3、支持增强的SpeedStep技术,可以调整核心电压和核心频率;
4、400MHz的CPU总线频率。
Pentium M引出CPU总线,也称前端总线,连接北桥芯片组。其频率为400MHz,这其实是通过在100MHz时钟周期内采样四次实现的。CPU总线信号使用AGTL+逻辑,这是一种信号的电器特性,它可以改善信号的质量,并降低功耗。
2.2、IMVP-IV核心电压控制
IMVP-IV是为CPU提供核心供电的电路,由于Pentium M核心电压可调(有32种),所以要有一个能精确调整电压的电路。除此以外,CPU还有一些关于电源管理的信号,也由IMVP-IV负责。它帮助电脑实现了SpeedStep技术。
3 温度传感器
将一个测温二极管安放在CPU下面,接到CPU相应管脚上,CPU内部的电路便可感知其自身的温度,并对一旦发生的高温提供保护。测温二极管还常提供给其他控制芯片如ADM1023,实现温度监控,并完成一定的系统控制如风扇启动等。
4 Intel 855GM GMCH
图形内存控制集线器(Graphics & Memory Controller Hub,GMCH),俗称北桥。它内部集成了图形控制器(显示卡),内存控制器,被提供相应的接口连接显示设备和内存,同时它还连接Pentium M处理器与ICH4,其相当于CPU的管家,将CPU的指令分发给相应的模块,或将各模块向CPU的请求在恰当时候通报CPU。它也像网络中使用的集线器,实现一点与多点的连接。
855图形内存控制集线器有三个版本:855GM,855GME和855PM,其中855GME是855GM的增强版,它们管脚兼容。855PM不再称GMCH,而是MCH,内存控制集线器,它内部不集成显示卡,也没有对应的显示输出,它与855GM/GME管脚不兼容。
5 存储器接口和DDR内存
855GM支持PC1600和PC2100 DDR SDRAM内存接口,可插接DDR200/266的内存条,最大支持2.0GB内存。855GME和855PM还支持PC2700 DDR SDRAM,即 DDR333的内存。
笔记本电路提供SO-DIMM内存插槽,它是有别于台式机内存插槽的小型插槽,虽然信号标准是相似的。
在实际电路中,许多笔记本在主板上集成了内存以节约空间。
6 LVDS接口和液晶显示器控制
LVDS学名低电压差分信号,是专门用于LCD的控制信号。液晶显示器控制信号分两部分,即扫描点阵的信号,和控制背光灯亮度的信号。
7 Intel 82801DBM ICH4-M(I/O控制器)
输入/输出控制集线器(I/O Controller Hub 4 Mobile,ICH4-M),“4”代表第四代,它可以为系统提供强大的数据I/O支持。它提供的接口和相应的周边设备有:PCI总线、IDE设备(光驱和硬)、声卡、网卡、USB。
8 IDE接口和IDE设备
ICH4-M提供两个独立的IDE信号通道,每个通道支持两个IDE设备,可提供16Mb/s的PIO IDE的传输或Ultra ATA 100/66/33的传输,且每个IDE设备有独立的时钟。IDE设备即硬盘和光驱等。
如今一种名为Serial ATA(串行ATA)的IDE接口技术正在兴起,它具有传输速率高(现在为150Mb/s),传输线数量少的特点,Intel的ICH5已经支持了这种技术,但目前只用于台式机,其实SATA非常适用于笔记本电脑,相信不久,它一定会移植到笔记本上来。
9 USB接口
ICH4支持6个USB2.0端口,而且这6个端口可以分别工作在高速、全速和低速方式下,ICH4中集成了两种控制起来负责USB接口,UHCI控制器和EHCI控制器,UHCI控制器负责全速和低速工作方式,EHCI控制器负责高速方式,可达480Mb/s,ICH4自动决定某一个USB端口被哪个控制器控制。
10 PCI接口和PCI总线上的设备
ICH4提供133MHz的PCI接口,用以连接PCI总线。PCI总线是广为使用的技术,很多板卡、设备支持这种接口,在台式机主板上,我们总能发现白色的PCI扩展槽,用来插接显示卡、声卡、网卡等。笔记本不提供PCI扩展槽,以节约空间,它的PCI设备常常是直接做在主板上的。
11 Docking
Docking称为坞插槽,用来连接扩展坞设备。
12 LPC接口及LPC总线上的设备
短管脚计数总线(Low Pin Count,LPC),它用少量的信号线完成较低速的数据传输(33Mb/s)。ICH4直接提供了接口来引出LPC总线,LPC总线上一般连接FHW、SIO和KBC/SMC等设备。
13 FWH
FWH的全称是Firmware Hub,即固件集线器,其内固化着最大8MB的系统BIOS和显示BIOS系统启动时,首先执行这段固化的程序,完成系统硬件资源的测试与配置?并使计算机从硬盘加载操作系统。不仅如此,它还在系统运行的全过程中担负着系统硬件层与操作系统的基本输入输出接口。
14 SIO
超级输入输出接口(Super Input/Output,SIO),它包括串口、并口、红外接口和软驱接口,这些接口全部通过PC87393模块组连接到LPC总线上,也就是说PC87393实现了LPC到各个不同I/O接口的信号转换,它也可以被认为是一个集线器?
PC87393上引出的各种I/O接口的信号线经过一定的处理,连接到插接件上,我们便能够在笔记本电脑的后面或侧面看到并使用它们了?
15 SMC/KBC
与串口、并口等不同PS/2(键盘/鼠标接口)接口并不是由PC87393提供的,而是称为系统管理器(System Management Controller,SMC)和键盘控制器(Keyboard Controller,KBC)。从名字来看,它把两个不相关的东西放在了一起,确实如此,它除了提供两个PS/2接口用来连接键盘和鼠标外,还直接提供了键盘扫描电路,来连接内置的键盘,这也暗示了内置键盘并不是通过PS/2口与主板相连的?
SMC/KBC是由Hitachi H8S/2149完成的,它是一个通用的微处理器,通过编程可以实现很多功能,这也是它将两个不相干的功能集于一身的原因。
16 局域网连接器接口和局域网插口
这与前面提到的无线网络连接是不同的,这是一种基于有线的连接。ICH4提供了LAN Connection接口,及局域网连接器接口,该接口连到82562EM上,并引出RJ45插口,用于接入局域网。82562EM只是完成LAN连接器接口信号到局域网线上信号的转换,真正管理网络的是网卡控制器,并集成在ICH4内。
17 声卡AC97
ICH4支持AC97音频输入输出标准,即所谓的软声卡,它将音频信息以一定格式的数字信号输出,将此信号用解码器(Codec)解码,还原出音频信息,再经过数模转换器变为模拟信号,经过放大器放大,便可输出至耳机、音箱,发出声音。电话线中的模拟信号也可以认为是声音,把Modem的Codec接在AC97的输出线上便可实现软猫。另外AC97也支持音频输入。Codec负责把输入信号(经数模转换后)编码给ICH4。ICH4最多可连接7只Codec,完成7个通道输入输出。
18 充电电路
充电电路是笔记本电脑的独有的部分,此部分电路实现的是对笔记本电脑上的锂离子电池充放电管理的,以防止电池过充产生危险。
19 DC/DC(直流分配器)
将电池的输出直流电压或者外接电源输入的电压转变成各种不同电平的直流电压并提供一定的带负载能力,给电路各部分提供电源。
20 CK-408
CK-408是一个时钟合成器及驱动器,它为系统中诸多总线提供不同频率的时钟,例如为CPU前端总线提供100MHz时钟,为PCI总线提供33MHz的时钟。
一文简析变压器原理及接线组别
时间:2026-03-06
TIL601~TIL604 LS600 LS602 LS61
时间:2026-03-06
TIL601~TIL604 LS600 LS602 LS61
时间:2026-03-06
TIL601~TIL604 LS600 LS602 LS61
时间:2026-03-06
TIL601~TIL604 LS600 LS602 LS61
时间:2026-03-06
TIL3009~TIL3012参数测量电路图
时间:2026-03-06
TIL3009~TIL3012管脚电路图
时间:2026-03-06
TIL3009~TIL3012管教封装尺寸电路图
时间:2026-03-06
TIL3009~TIL3012逻辑电路图
时间:2026-03-06
TIL3009-TIL3012电阻负载电路图
时间:2026-03-06
瞬间抑制二极管(TVS)/瞬间抑制二极管(TVS)是...
时间:2026-03-04
什么是追踪缓存/转接卡?
时间:2026-03-06
什么是EPIC
时间:2026-03-06
什么是联合并行处理二级缓存?
时间:2026-03-06
什么是Speculative execution/SQRT?
时间:2026-03-06
什么是霍尔传感器
时间:2026-03-05
S/HS固态继电器原理简介
时间:2026-03-04
稳压二极管的选用和代换
时间:2026-03-04
双向二极管起什么作用?
时间:2026-03-04
技术前沿:让我们来谈一谈封装
时间:2026-03-05