电子产品与 EDN 合作推出了其回归基础的电子元件系列,并介绍了机电开关。不要错过我们与 C&K 医疗领域产品组合的全球领导者 Roger Bohannan 的讨论。
自 2014 年以来,物联网 (IoT) 技术的实施使智能连接设备在广泛的市场中获得了牵引力。许多智能家居技术正在从无源、未连接的设备过渡到有源、连接的设备。无论是在家中还是在路上,智能家居设备都可以对联网设备进行高级控制,从而简化我们的生活并提供更多功能。其中许多设备通常由创新的机电控制或开关支持。随着物联网设备内部的占用空间越来越小,支持组件也必须如此。
根据 Markets and Markets 的数据,到 2027 年,物联网细分市场预计将达到 14632 亿美元,高于 2019 年的 2507 亿美元,在预测期内以 24.9% 的复合年增长率 (CAGR) 增长。更具体地说,全球智能家居市场规模预计将从 2020 年的 783 亿美元增长到 2025 年的 1353 亿美元,预测期内的复合年增长率为 11.6%。增长受到多种因素的推动,例如互联网用户数量的增加、远程家庭监控的实施、节能需求的增加、智能家居设备的扩展以及对安全、保障和便利性的日益关注在普通人群中。
市场趋势和挑战
物联网应用的潜力是无穷无尽的。物联网允许远程监控以及分析数据的收集。这些数据可以被解释并用于获得 360 度的资产视图,从而使 OEM 能够开发出更好地满足人们需求的产品。在 Covid-19 大流行期间,对物联网设备的总体需求有所下降;然而,新的物联网设备将会出现,其中许多与改善健康和生活质量有关。
物联网设备小型化的趋势并不是什么新鲜事。PCB 空间限制要求使用小型检测开关来代替常用的快速开关。弹簧开关传统上要大得多,不适合放入手掌大小的设备中。因此,上述智能家居物联网应用中约有 80% 使用检测开关作为必不可少的核心组件。
此外,物联网设备制造商希望在缩小产品足迹的过程中尽可能多地包含功能和数据收集。这通常会导致在小封装中需要更多的电子设备,从而需要进一步的小型化和设计灵活性。
什么是检测开关?
检测开关,也称为“检测器”开关,是一种微型机电开关,可检测(或感应)物体对其致动器的任何移动或激活。在检测开关下方,有触点终端,如果有电信号连接到检测开关的端子,当开关打开时,电信号(往往以毫安到微安为单位)将流过它。这种流过信号可以连接到其他物联网设备,以触发在设备上执行特定任务的附加指令序列。


图1 检测开关结构图显示其主要部件。来源:C&K
检测开关为工程师设计应用程序提供了一种灵活的解决方案,该应用程序需要通过移动触点设备进行“分钟”检测。这些开关也非常坚固,因此它们可以在数千个生命周期中重复运行而不会损坏。它们以小封装尺寸提供一系列行程距离检测,并满足 PCB 上的小尺寸设计要求。


图 2 微型表面贴装检测开关安装在 PCB 上。来源:C&K
检测开关的概念源自传统的快动开关,作为较大快动开关的较小替代品,可将更高的电流(以毫安为单位分配到安培范围)。快速开关的一个关键限制是它的尺寸,特别是对于物联网设备和其他手持设备,因为这些设备变得更小更轻。与同类快动开关相比,微型检测开关可节省高达 50% 的空间,使其成为物联网应用的理想选择。


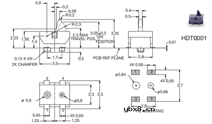
图 3 示意图显示了 HDT0001 检测开关的关键构建块。来源:C&K
检测开关还使用物联网设备和家用电子设备的信号电平电流(直流电压)。低电流检测开关几乎不消耗电能,使其成为电池类型应用的理想解决方案。检测开关不需要 UL/ENEC 认证。
将其微型占地面积与安装灵活性相结合,使设计人员能够将检测开关放置在几乎任何位置,包括平面、垂直和倒置。因此,在设计产品和解决方案时,即插即用检测开关不会限制设计人员。
除了紧凑的尺寸外,检测开关还具有许多优点。它允许生产线使用机器人机器快速拾取、放置和焊接 PCB 上的开关。超过 90% 的检测开关采用 SMD 端接,这意味着它们本质上是为拾放设备而设计的。在制造过程中没有任何人为干预,这可以确保开关保持其质量,消除通过人的手指处理开关产生的污染和污垢的存在。
如何指定检测开关
选择正确的检测开关取决于应用要求。可提供范围广泛的检测开关以满足几乎任何应用需求。要考虑的选项包括:
尺寸:检测开关范围从标准 (~13 mm) 到薄型和紧凑型微型 (~6 mm) 到超小型 (~2 mm) 设计。
使用寿命:100,000 至 100 万次循环
环境条件:它们的范围从标准到密封 IPxx 等级版本,适用于恶劣环境。
操作力:35克至50克
驱动类型:推翅片、水平推、垂直推和推杆角
执行器长度:1.4 mm 至 2.67 mm
作动方向:包括垂直或水平、上或侧、直角或左。
行程范围:1.05 毫米至 3.14 毫米
端接样式:它包括 SMT、通孔、面板和卡入式/机箱和螺钉安装版本,可满足不同的安装和固定要求。
工作温度范围:-40°C 至 85°C 范围允许在某些恶劣环境下工作。
通常,检测开关是单极的,通常只有常开或常闭。此外,当检测开关未进行工艺密封时,在焊接过程中存在助焊剂渗透的风险。在将探测器焊接到 PCB 的制造过程中,通常必须考虑这一点。
关键应用
检测开关常用于以下智能家居应用:
扫地机器人:用于检测尘盒的存在以及机器人轮子方向的位置。
智能门窗锁:从内部检测锁在强制开启位置。门不能从外面手动解锁。
耳塞:当耳塞对接时启用充电并检测充电座是处于打开还是关闭位置。
安全摄像头:检测镜头旋转极限位置
安检门:开门或关门
烟雾探测器:烟雾探测器和报警面板的防篡改检测
检测开关还可用于各种其他智能应用,从数码相机检测盖子的打开/关闭、放大/缩小功能,以及镜头安装和拆卸到公用事业仪表以防篡改检测仪表盖的移除。
服务于所有电子设计
为了克服这里列出的挑战并满足行业要求,像 C&K 这样的开关制造商提供了广泛的检测开关选择。小巧而可靠的检测开关是所有关注占位面积的电子设计的理想解决方案。Detect 开关提供设计灵活性和功能,并提供一系列选项,支持创新和富有想象力的物联网设备。
审核编辑:汤梓红
相关热词:#物联网
RS485基本知识介绍
时间:2026-04-18
什么是激光雷达?激光雷达的构成与分类
时间:2026-04-18
Excelpoint - 一文了解SiC MOS的应用
时间:2026-04-18
什么是磁电阻器?磁电阻特性及应用
时间:2026-04-18
什么是电场?电场在电容器中的应用
时间:2026-04-18
什么是ARM64?
时间:2026-04-17
vga和hdmi的区别
时间:2026-04-17
什么是ESD?ESD及TVS的原理和应用
时间:2026-04-17
开关电源原理与维修完整版 (10)_标清视频
时间:2026-04-16
开关电源原理与维修完整版 (11)_标清视频
时间:2026-04-16
GoKit3的硬件电路原理
时间:2026-03-06
基于N32G457和RT-Thread打造的私有化定制家...
时间:2026-03-06
如何搭建一个私有云平台
时间:2026-03-06
基于 STM32和机智云物联网平台的农作物需水...
时间:2026-03-06
物联网的前世今生:什么是物联网?实现物联...
时间:2026-03-06
xG22E SoC以能量采集技术实现“环境物联网”...
时间:2026-03-06
物联网的发展历程及技术特征
时间:2026-03-06
朗骏智能推出四款全新的可联网智能光控产品
时间:2026-03-06
物联网中常用指令——AT命令
时间:2026-03-06
为什么使用MQTT而不是HTTP?
时间:2026-03-06