张海涛,韩耀振(山东交通学院 信息科学与电气工程学院,山东 济南 250357)
摘 要 :针对目前可燃气体监测系统存在的通信传输距离短和功耗高的问题,提出了一种基于 LoRa 技术的可燃气体监测系统设计方案,给出了系统的总体设计以及详细的系统硬件组成和原型,软件系统由 Keil 软件编译实现。基于 FM33LG048 设计的无线传感器采集现场气体浓度,通过 SX1278 无线射频模块与 LoRa 控制器通信 ;以高性能,低功耗 STM32F103 为主控制单元设计的 LoRa 控制器接收、处理、存储无线传感器数据,并提供操作界面,其中,控制器中的 LoRa 网关作为中继通过 GPRS 将接收的数据发送到云平台。系统可通过 LoRa 控制器在本地查看、操作无线传感器,通过手机或电脑远程增、删、改、查无线传感器相关信息。
中图分类号 :TP23 ;TP277
文献标识码 :A文章编号 :2095-1302(2022)10-0012-04
0 引 言
在石油化工行业中不可避免的存在各种易燃易爆、有毒有害的气体,这些气体一旦长时间泄露或积聚在周围环境中,将可能引起火灾、爆炸或人身中毒等重大事故。因此,对可燃气体的监测是安全生产过程中至关重要的环节。随着物联网的发展,无线网络技术在可燃气体监测系统中的应用越来越广泛。文献 [1-3] 通过 ZigBee 技术将传感器采集的数据传送到网关节点,由监控中心进行数据分析和处理。文献 [4-6]以 GPRS 网络为基础,通过 IP 数据流方式传送数据信息,实现对可燃气体的远程监控。以上系统通过采用不同的无线通信技术,均实现了对可燃气体的远程监控。但 ZigBee 技术无法实现远距离传输,GPRS 又易发生丢包现象。针对以上问题,结合 LoRa 通信距离远、信号收发灵敏度高、功耗低等优点,本文设计了一种基于 LoRa 自组网的可燃气体监测系统,能够有效监测可燃气体浓度。
1 系统工作原理及功能
图 1 所示为可燃气体监测系统结构框图,系统主要由无线传感器、LoRa 控制器和气体监测云平台组成。无线传感器采集现场气体浓度,对数据进行处理,然后 LoRa 模块按照规定的通信协议主动将数据发送到相应的 LoRa 控制器。LoRa 控制器对浓度数据进行分析、判断、处理,并定时发送到云平台,云平台接收、显示 LoRa 控制器的数据,数据异常时平台立即发送短信通知相关人员。

系统分为 3 个层次,气体监测云平台与 LoRa 控制器之间采用 GPRS 通信方式 ;LoRa 控制器和无线传感器之间采用 LoRa 通信方式 ;无线传感器和联动模块之间采用 RS 485通信方式。设计的 LoRa 控制器可连接 256 个无线传感器,每个无线传感器都有唯一的识别码。为避免信道拥堵,系统默认 1 个控制器最多可连接 100 个无线传感器。 无线传感器将采集的气体浓度转换成 0 ~ 5 V 电压信号,并经过处理转换成相应的数据格式。除此之外,无线传感器还具有现场数字显示、调零、标定、变更地址、声光报警等功能。其中,联动模块由电磁阀和排风风扇组成,无线传感器发生报警时,联动模块对应的继电器工作,关闭电磁阀并启动排风风扇,从而避免事故的发生。
LoRa 控制器是系统最重要的部分,也是系统设计的难点所在。LoRa 控制器一方面通过 232 与串口屏通信,可查看报警时间、报警浓度、故障类型等,也可设置、修改、查阅系统参数 ;另一方面,LoRa 控制器中的 LoRa 网关接收无线传感器上传的气体浓度信息,并进行分析、处理、判断。然后将处理数据定期通过无线远传至气体监测云平台,现场报警时立即上传。同时也可修改 IP 地址、无线传感器数量、上传时间等参数。
2 系统硬件设计
LoRa 控制器主要包括电源模块、显示模块、无线通信模块,选用性能稳定的 STM32F103RBT6 作为控制中心。电源模块主要由主电供电和电池供电两部分组成,主电供电由LS05-13B24R3 将交流电压 220 V 转换成单片机所需要的直流电压 5 V。LS05-13B24R3 是金升阳提供的小型化裸板的高效绿色模块电源,具有交直流两用、输入电压范围宽、高可靠性、低功耗、安全隔离等优点,主电源电路原理如图 2 所示。电池供电则由 24 V 电池进行供电,24 V 转 5 V 直流降压电路采用 MP1584 芯片。开关电源通过在内部 MOS 管上加 PWM 开关信号,控制 MOS 管的导通和关断,使电感和电容充放电,以此来实现将电源电压降压的目的。电池供电电路原理如图 3 所示。


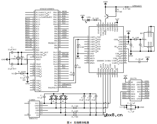
无线模块由 LoRa 网关和 GPRS 模块组成,主要电路原理如图 4 所示。
LoRa 网关采用 SEMTECH 公司出品的SX1278 射频芯片。SX1278 射频芯片是一种半双工传输的低中频收发器,具有高灵敏度、低功耗、抗干扰等特点。采用星型网络架构,能将数百万的无线传感器节点与 LoRa 网关连接 [7]。射频前端和数字状态机所有重要参数均可通过一个 SPI 接口进行配置,通过 SPI 可以访问 1278 的配置寄存器。使用 SX1278 需要注意两点 :一是与 MCU 连接时注意共地连接 ;二是 RST 管脚是 SX1278 无线模块的复位引脚,低电平有效,在初始化操作成功后严禁使用此管脚。SX1278的工作频率为 433 MHz,在同等发射功率下低频的传输距离更远,覆盖范围更广 [8]。GPRS 模块采用 SIMCom 提供的SIM800C,SIM800C 采用省电技术设计,在休眠状态下电流低 至 0.6 mA[9]。 将 SIM800C 的 TXD 和 RXD 与 MCU 的 串口 2 连接,并通过 MCU 的串口 1 进行打印。

显示模块选用迪文 DGUS 屏,通过 232 与微控制器通信,电路原理如图 5 所示。
DGUS 屏主要把 GUI 分解成控件并按页面配置。控件显示由变量控制 [10],通过 PC 软件配置好控件文件下载到 DGUS 屏后,通过串口改写变量值即可实现控件显示的相应改变。

无线传感器主要完成对现场气体浓度的采集和数据发送,电路原理如图 6 所示。选用 5 V 高性能锂电池供电,当电池电压下降到 3.3 V 后,蜂鸣器持续 10 s 警报以提醒用户。
无线传感器的微控制器选用 FM33LG048,FM33LG048 是一款基于 ARM32 位 Cortex-M0+ 内核的产品,片上内存包括256 KB FLASH 和 32 KB RAM,集成低功耗硬件时钟,内置液晶显示驱动,独特的超低功耗架构设计使得芯片在 1 MS/s采样率下,功耗仅为 250 μA。红外遥控模块选用 VS1838B,可实现对无线传感器的调零和标定。

3.2 LoRa 主控制器软件设计
在进入循环之前,首先对微处理器和芯片进行初始化,显示开机画面 3 min,在此过程中不断进行电源检测、按键检测、屏幕检测。开机成功后,LoRa 网关上电,并扫描查看是否有 LoRa 节点加入。LoRa 节点加入后,控制器对接收到的数据进行分析判断,主要分为正常、故障、报警三种状态,然后按顺序提取协议中无线传感器中对应的气体浓度和状态位,将其存储到 FLASH 中。
正常状态下,上传时间为 6 h,若为故障或报警状态,则立即上传。为降低系统功耗,未达到上传时间时系统处于休眠状态。键值检测及处理部分主要检测屏幕是否有反应,能否根据相应键值进行相关操作。屏幕界面分为三级权限操作目录,每一级权限下有若干下拉界面选项,这些操作功能都在按键数据处理函数中完成。

进入循环之后,需要注意每一个函数处理完成后都要进行备电电路检测。 LoRa 控制器与云平台间采用 4G 长连接模式,通过 TCP与云平台建立连接,首次建立连接或者断开连接再次连接上线后,首先发送登录帧,等待云平台应答,超时无应答并重试两次仍无应答则自动断开服务器,释放连接资源 ;如果收到云平台应答,则进入正常工作流程,按 LoRa 控制器设置的上传周期上传数据。LoRa 控制器无数据传输时,断开连接。 如果连续 5 次连接失败,计数器开始计数,模块重新上电初始化,当计数器达到 10 次后,清零并发出警报,蓝色指示灯常亮,提醒用户联网失败。LoRa 控制器工作流程如图 8所示。

4 结 语
基于 LoRa 技术的可燃气体监测系统能够有效监测多种可燃性气体,在通信距离传输和功耗性能方面都有了不同程度的改善,实现了可燃气体安全云监控,提高了整体区域可燃气体监测系统的实时性和可靠性。
参考文献
[1] 黄青龙,游胜玉,何月顺 。 基于 ZigBee 技术的可燃气体监测报警系统的设计 [J]。 物联网技术,2021,11(7):18-19.
[2] 张鹏,秦飞舟 。 基于 ZigBee 技术的室内可燃气体监测系统 [J]。 电脑知识与技术,2015,11(27):204-205.
[3] 宋绍成 。 基于 ZigBee 的化工可燃气体与有毒气体智能报警终端硬件设计 [J]。 黑龙江科技信息,2013,17(27):91
[4] 包亮,王里奥,陈萌,等 。 基于 GPRS 的排水管道可燃气体远程在线监控系统的设计与实现 [J]。 给水排水,2009,45(s1):445-448.
[5] 甘平,徐子航,胡国文,等 。 基于 GPRS 的远程可燃气体检测系统研究与设计 [J]。 实验室研究与探索,2013,32(9):54-56.
[6] 闫成志 。 基于 GPRS 的化粪池可燃气体监测系统设计 [J]。 无线互联科技,2016,13(16):65-66.
[7] 李时杰,何怡刚,罗旗舞,等 。 基于 LoRa 的电气设备温湿度监测终端设计 [J]。 传感器与微系统,2018,37(4):89-91.
[8] 张琴,戴阳,杨胜龙,等 。 基于 LoRa 的低功耗水产养殖水质监测系统设计 [J]。 传感器与微系统,2019,38(11):96-99.
[10] 张建良,吴越,齐冬莲,等 。 基于 DSP 的微电网泛能控制实验平台设计 [J]。 实验室研究与探索,2018,37(2):83-86.
作者简介: 张海涛(1995—),男,研究生,研究方向为嵌入式开发。 韩耀振(1984—),男,教授,主要研究方向为现代能源控制技术、新能源系统控制。
编辑:黄飞
相关热词:#物联网
RS485基本知识介绍
时间:2026-04-18
什么是激光雷达?激光雷达的构成与分类
时间:2026-04-18
Excelpoint - 一文了解SiC MOS的应用
时间:2026-04-18
什么是磁电阻器?磁电阻特性及应用
时间:2026-04-18
什么是电场?电场在电容器中的应用
时间:2026-04-18
什么是ARM64?
时间:2026-04-17
vga和hdmi的区别
时间:2026-04-17
什么是ESD?ESD及TVS的原理和应用
时间:2026-04-17
开关电源原理与维修完整版 (10)_标清视频
时间:2026-04-16
开关电源原理与维修完整版 (11)_标清视频
时间:2026-04-16
GoKit3的硬件电路原理
时间:2026-03-06
基于N32G457和RT-Thread打造的私有化定制家...
时间:2026-03-06
如何搭建一个私有云平台
时间:2026-03-06
物联网的前世今生:什么是物联网?实现物联...
时间:2026-03-06
基于 STM32和机智云物联网平台的农作物需水...
时间:2026-03-06
xG22E SoC以能量采集技术实现“环境物联网”...
时间:2026-03-06
物联网的发展历程及技术特征
时间:2026-03-06
朗骏智能推出四款全新的可联网智能光控产品
时间:2026-03-06
物联网中常用指令——AT命令
时间:2026-03-06
为什么使用MQTT而不是HTTP?
时间:2026-03-06