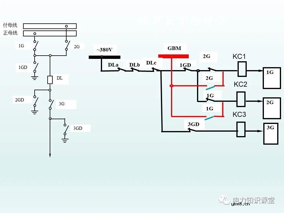
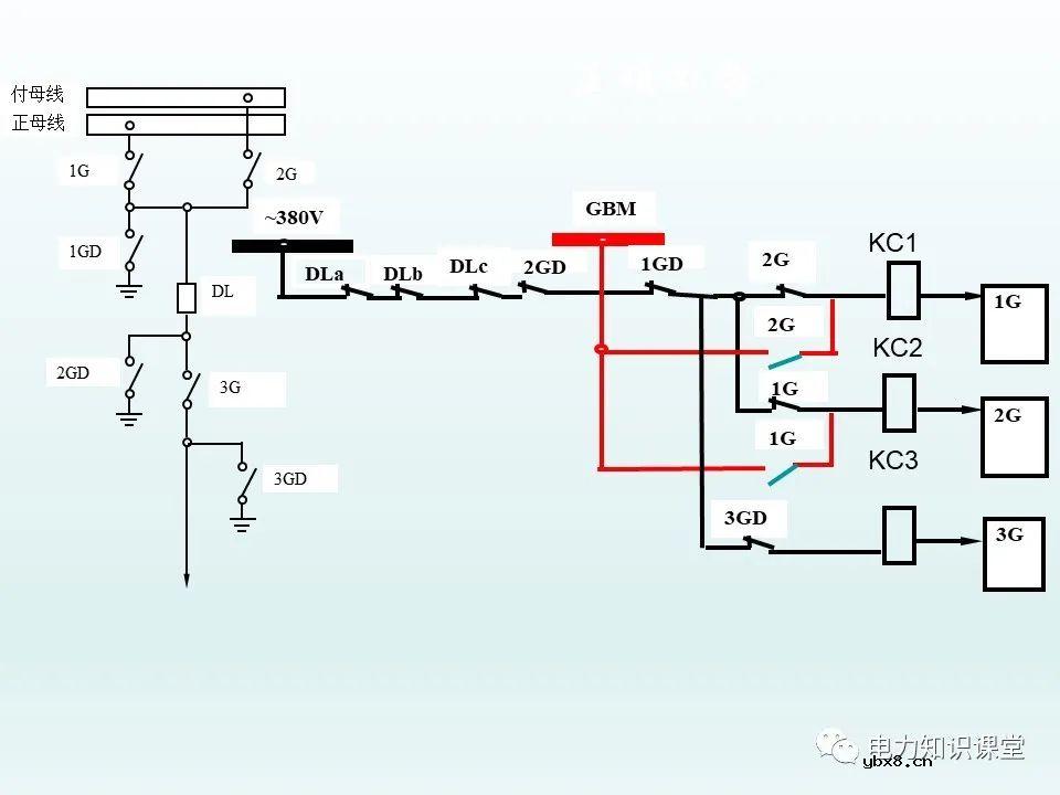
1.隔离开关与断路器串联时,分合回路时的操作顺序是什么?(停电、送电)
2.隔离开关的主刀与接地刀在倒闸操作中的顺序是什么? (检修、送电)
3.当发生误拉、合隔离开关,发现触头间有电弧时应怎样做?








































































编辑:黄飞
相关热词:#智能电网
低功耗 IoT 通信子系统的优化方案解析
时间:2026-03-06
中国物联网行业结构及发展趋势报告
时间:2026-03-06
TurMass-全新一代 LPWAN 系统级芯片通信技术...
时间:2026-03-06
浅谈物联网 PaaS 平台的主要行业特征
时间:2026-03-06
智慧城市物联网网关解决方案案例解析
时间:2026-03-06
基于物联网无线模块的低能耗智慧路灯无线解...
时间:2026-03-06
如何消除红眼现象/调节对比度/修整图象
时间:2026-03-06
智慧停车场系统架构设计物联网应用方案分析
时间:2026-03-06
精密运放如何在功率较低的情况下实现快速多...
时间:2026-03-06
物联网案例:智慧园区建设方案及面临的挑战
时间:2026-03-06
配电变压器的工作原理和作用
时间:2026-03-05
低压配电方式有三种 低压配电的作用
时间:2026-03-05
中线安防保护器对电网中三次谐波的治理
时间:2026-03-05
什么是单母线接线?主接线的普遍规律
时间:2026-03-05
智能电网包括什么?它的先进性和优势是?
时间:2026-03-05
基于区块链技术的IP电话协议的分散式设计方...
时间:2026-03-05
未来什么技术占主流?会是区块链吗?
时间:2026-03-05
浅谈区块链下的智能合约
时间:2026-03-05
浅显易懂地揭开.Net生态系统的神秘面纱!
时间:2026-03-05
对技术的执着和美的追求变成了程序员的“诗...
时间:2026-03-05