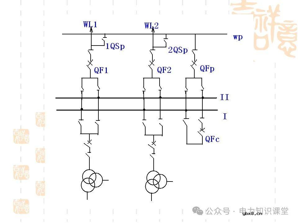
变电站主接线和站用电接线运行
在发电厂和变电站中,由各种一次电气设备及其连接线所组成的输送和分配电能的电路,称为电气一次回路。
·电气一次回路中电气设备根据它们的作用,按照连接顺序,用规定的文字和符号绘成的图形称之为电气主接线图。



























































审核编辑:黄飞
相关热词:#智能电网
物联网在医院的运用方案
时间:2026-03-06
大数据是怎样颠覆医学的
时间:2026-03-06
可穿戴技术的面纱后面是什么
时间:2026-03-06
医疗物联网支撑下医院管理模式解决方案
时间:2026-03-06
物联传感智能医院设计
时间:2026-03-06
如何正确的选择物联网通讯技术
时间:2026-03-06
立功科技的物联网云端平台型服务系统的优势...
时间:2026-03-06
老年人独立生活物联网解决方案
时间:2026-03-06
工业互联网的安全研究与实践
时间:2026-03-06
怎样利用物联网RFID技术来推动石油行业发展
时间:2026-03-06
配电变压器的工作原理和作用
时间:2026-03-05
低压配电方式有三种 低压配电的作用
时间:2026-03-05
中线安防保护器对电网中三次谐波的治理
时间:2026-03-05
什么是单母线接线?主接线的普遍规律
时间:2026-03-05
智能电网包括什么?它的先进性和优势是?
时间:2026-03-05
基于区块链技术的IP电话协议的分散式设计方...
时间:2026-03-05
未来什么技术占主流?会是区块链吗?
时间:2026-03-05
浅谈区块链下的智能合约
时间:2026-03-05
浅显易懂地揭开.Net生态系统的神秘面纱!
时间:2026-03-05
对技术的执着和美的追求变成了程序员的“诗...
时间:2026-03-05