当前位置:首页 > 工控原理 > 正文

浅谈变配电所的直流系统组成及操作电源分类

来源:网络  发布者:电工基础  发布时间:2026-03-06 07:52
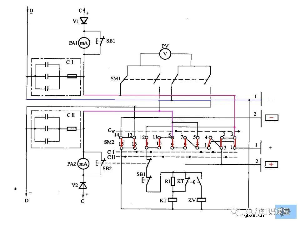
组成:硅整流装置、储能电容器。交流系统正常时,由整流装置供电给直流负荷,同时向电容浮充电。
组成:硅整流装置、储能电容器。交流系统正常时,由整流装置供电给直流负荷,同时向电容浮充电。 交流系统故障,甚至全所停电时,电容器放电向重要直流负荷供电。

浅谈变配电所的直流系统组成及操作电源分类

浅谈变配电所的直流系统组成及操作电源分类

浅谈变配电所的直流系统组成及操作电源分类

浅谈变配电所的直流系统组成及操作电源分类

浅谈变配电所的直流系统组成及操作电源分类

浅谈变配电所的直流系统组成及操作电源分类

浅谈变配电所的直流系统组成及操作电源分类

浅谈变配电所的直流系统组成及操作电源分类

浅谈变配电所的直流系统组成及操作电源分类

浅谈变配电所的直流系统组成及操作电源分类

浅谈变配电所的直流系统组成及操作电源分类

浅谈变配电所的直流系统组成及操作电源分类

浅谈变配电所的直流系统组成及操作电源分类

浅谈变配电所的直流系统组成及操作电源分类

浅谈变配电所的直流系统组成及操作电源分类

浅谈变配电所的直流系统组成及操作电源分类

浅谈变配电所的直流系统组成及操作电源分类

浅谈变配电所的直流系统组成及操作电源分类

浅谈变配电所的直流系统组成及操作电源分类

浅谈变配电所的直流系统组成及操作电源分类

浅谈变配电所的直流系统组成及操作电源分类

浅谈变配电所的直流系统组成及操作电源分类

浅谈变配电所的直流系统组成及操作电源分类

浅谈变配电所的直流系统组成及操作电源分类

浅谈变配电所的直流系统组成及操作电源分类

浅谈变配电所的直流系统组成及操作电源分类

浅谈变配电所的直流系统组成及操作电源分类

浅谈变配电所的直流系统组成及操作电源分类

浅谈变配电所的直流系统组成及操作电源分类

浅谈变配电所的直流系统组成及操作电源分类

浅谈变配电所的直流系统组成及操作电源分类

浅谈变配电所的直流系统组成及操作电源分类

浅谈变配电所的直流系统组成及操作电源分类

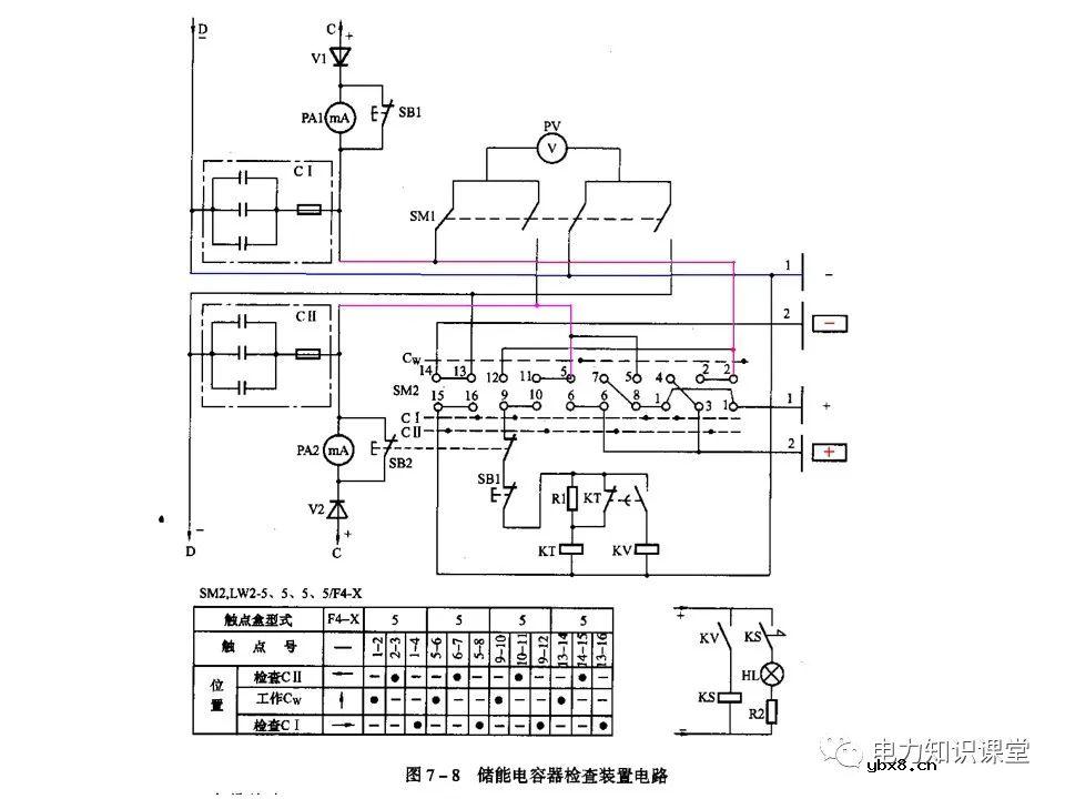
直流系统正常运行时,SM置于“母线”位置,R+=R- ,又R1=R2,所以电桥平衡,在KRD线圈中只有很小的不平衡电流,因此继电器KRD不会动作。当某一极母线的绝缘电阻下降至低于允许值时,电桥失去平衡,当KRD线圈中流过的电流足够大时,KRD动作,其常开触点闭合,启动KM,发预告信号

浅谈变配电所的直流系统组成及操作电源分类

浅谈变配电所的直流系统组成及操作电源分类

浅谈变配电所的直流系统组成及操作电源分类

浅谈变配电所的直流系统组成及操作电源分类

浅谈变配电所的直流系统组成及操作电源分类

浅谈变配电所的直流系统组成及操作电源分类

编辑:黄飞

相关热词:#智能电网