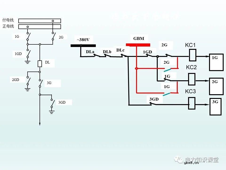
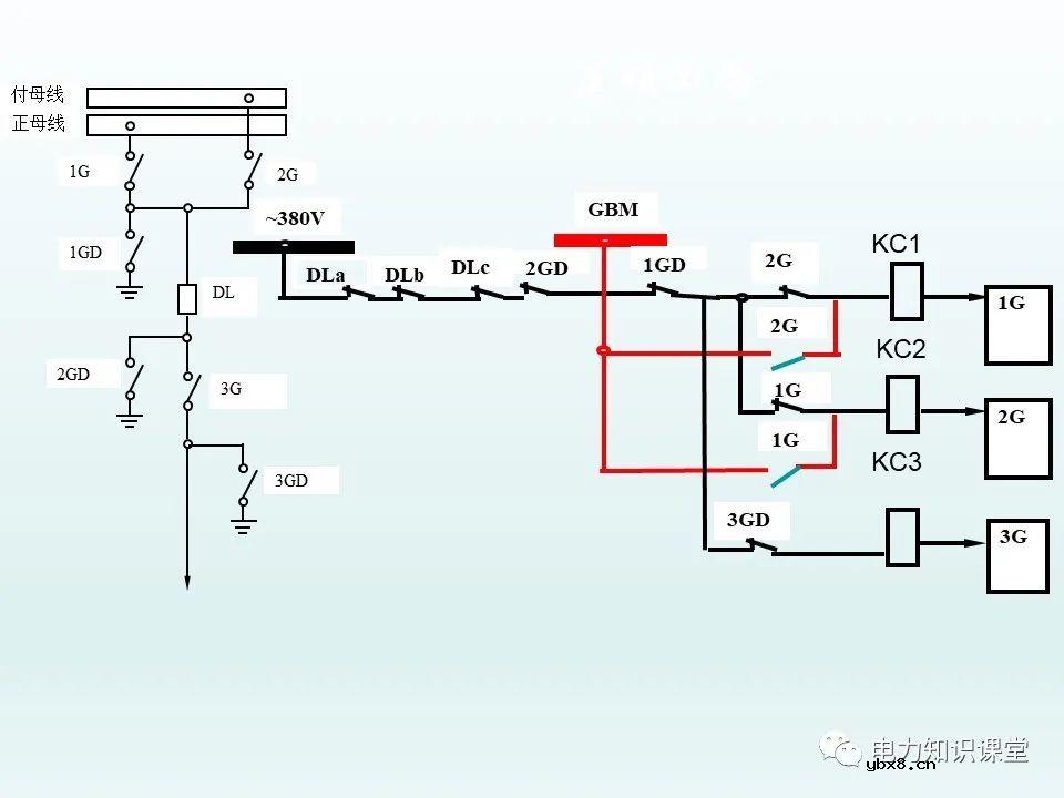
1.隔离开关与断路器串联时,分合回路时的操作顺序是什么?(停电、送电)
2.隔离开关的主刀与接地刀在倒闸操作中的顺序是什么? (检修、送电)
3.当发生误拉、合隔离开关,发现触头间有电弧时应怎样做?








































































编辑:黄飞
相关热词:#智能电网
物联网在医院的运用方案
时间:2026-03-06
大数据是怎样颠覆医学的
时间:2026-03-06
可穿戴技术的面纱后面是什么
时间:2026-03-06
医疗物联网支撑下医院管理模式解决方案
时间:2026-03-06
物联传感智能医院设计
时间:2026-03-06
如何正确的选择物联网通讯技术
时间:2026-03-06
立功科技的物联网云端平台型服务系统的优势...
时间:2026-03-06
老年人独立生活物联网解决方案
时间:2026-03-06
工业互联网的安全研究与实践
时间:2026-03-06
怎样利用物联网RFID技术来推动石油行业发展
时间:2026-03-06
配电变压器的工作原理和作用
时间:2026-03-05
低压配电方式有三种 低压配电的作用
时间:2026-03-05
中线安防保护器对电网中三次谐波的治理
时间:2026-03-05
什么是单母线接线?主接线的普遍规律
时间:2026-03-05
智能电网包括什么?它的先进性和优势是?
时间:2026-03-05
基于区块链技术的IP电话协议的分散式设计方...
时间:2026-03-05
未来什么技术占主流?会是区块链吗?
时间:2026-03-05
浅谈区块链下的智能合约
时间:2026-03-05
浅显易懂地揭开.Net生态系统的神秘面纱!
时间:2026-03-05
对技术的执着和美的追求变成了程序员的“诗...
时间:2026-03-05